
        - Предохранители
        - Реле
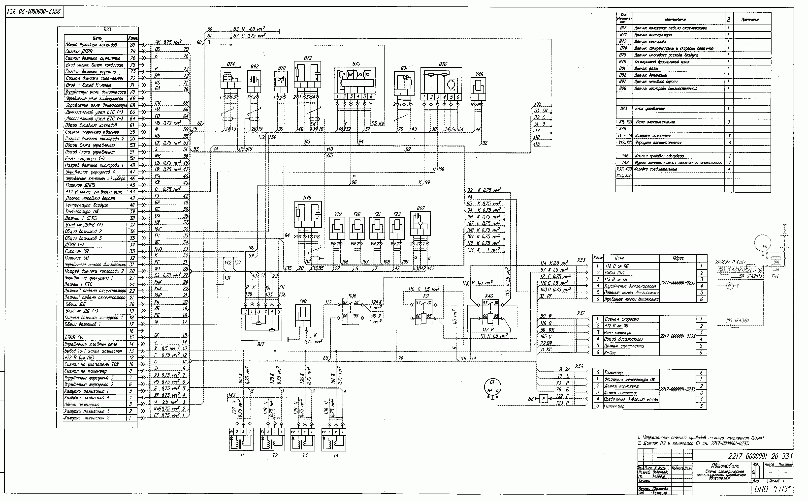
        - Электрические схемы
        - Регулировка фар
        - Шкала корректора фар
        - Лампы
        - Данные для регулировок
        - Момент затяжки
        - Заправочные объемы
        - Подшипники
        - Манжеты
II. Условные обозначения ко всем схемам.
2. ЗМЗ-4062 КМСУД "Третий Рим" 2006
3. ЗМЗ-4062 дорейстайл "РусьАвтокнига" 2002
4. ЗМЗ-40621 дорейстайл "Третий Рим" 2006
5. ЗМЗ-40621 дорейстайл "За Рулем" 2011
6. ЗМЗ-40621 рейстайл "Третий Рим" 2009
9. Chrysler СУД "Третий Рим" 2008
10. Chrysler(-503) дорейстайл "завод"
11. Chrysler(-503) дорейстайл "Третий Рим" 2008
12. Chrysler(-581) рейстайл "завод"
13. Chrysler(-590) рейстайл "Третий Рим" 2008
А9 – Модуль погружного насоса
B1 – Датчик указателя давления масла
B2 – Датчик сигнализатора аварийного падения давления масла
B7 – Датчик указателя температуры охлаждающей жидкости
B8 – Датчик сигнализатора перегрева охлаждающей жидкости
В12 – Датчик указателя уровня топлива
В17 – Датчик положения педали акселератора
В20 – Датчик включения электровентилятора
В46 – Датчик спидометра
B63 – Датчик абсолютного давления (Chrysler)
В64 – Датчик температуры воздуха во впускном трубопроводе (для Chrysler – датчик темп.наружного воздуха)
В65 – Датчик температуры АКБ (Chrysler)
B67 – Датчик аварийного падения уровня тормозной жидкости
B68 – Датчик-распределитель зажигания (ЗМЗ-402)
В70 – Датчик температуры охлаждающей жидкости системы управления двигателем
В72 – Датчик кислорода (корректирующий, Евро 2, Евро 3)
B74 – Датчик положения коленчатого вала
B75 – Датчик массового расхода воздуха (для Chrysler – датчик темп.воздуха на впуске)
B76 – Датчик положения дроссельной заслонки (для ЗМЗ-40525 – электронный дроссельный узел)
В83 – Антиобледенитель (климат)
В84 – Датчик температуры в салоне
В85 – Датчик температуры наружного воздуха
B91 – Датчик положения распределительного вала
B92 – Датчик детонации
B93 – Датчик сигнализатора прикрытия воздушной заслонки карбюратора (ЗМЗ- 402)
В95 – Датчик давления (климат)
В97 – Датчик неровной дороги
В98 - Датчик кислорода (диагностический, Евро 3)
D4 – Блок управления ЭПХХ (ЗМЗ-402)
D7 – Блок АБС
D21 – Блок управления климатической установкой
D23 – Блок управления двигателем (ЭБУ, кроме ЗМЗ-402)
D29 – Блок управления замками дверей (центральный замок)
D30 – Блок регулировки скорости вентилятора
D31 – Блок управления ЭСП
Е1 – Фара головного света левая
Е2 – Фара головного света правая
ЕЗ – Фара противотуманная левая
Е4 – Фара противотуманная правая
Е7 – Указатель поворота передний левый
Е8 – Указатель поворота передний правый
Е9 – Повторитель указателя поворота левый (если есть, переднее крыло)
Е10 – Повторитель указателя поворота правый (если есть, переднее крыло)
Е16 – Плафон
E17, Е18 – Плафон индивидуального освещения (задний, рестайл)
Е27 – Фонарь задний левый
Е28 – Фонарь задний правый
Е30, Е72 – Фонари освещения номерного знака
Е35 – Фонарь подкапотный
Е59 – Прикуриватель
Е61 – Фонарь багажника
Е64 – Фонарь такси
Е66 – Фонарь медицинского знака (ГАЗ-310231)
Е67 – Фара-искатель (ГАЗ-310231)
Е68, Е69 – Плафоны салона (ГАЗ-310231)
Е70 – Плафон двери задка (ГАЗ-310221)
Е71 – Плафон освещения вещевого ящика
Е80 – Дополнительный сигнал торможения
Е81, Е82 – Фонари задние в крышке багажника
F1-F4 – Свечи зажигания
F30 – Предохранитель 20А (кондиционер)
F36 – Предохранитель 25А в цепи фароочистителя (ГАЗ-31025)
F41 – Блок предохранителей левый
F42 – Блок предохранителей правый
F43 – Блок предохранителей в моторном отсеке
G1 – Генератор
G2 – Аккумуляторная батарея
Н1, Н2 – Сигнал звуковой
Н7 – Сигнализатор аварийного падения давления масла
Н8 – Сигнализатор перегрева охлаждающей жидкости
Н16 – Сигнализатор правого поворота
Н17 – Сигнализатор левого поворота
Н19 – Сигнализатор минимального резерва топлива в баке
Н20 – Сигнализатор дальнего света фар
Н30 – Сигнализатор включения стояночного тормоза
Н54 – Сигнализатор разряда аккумуляторной батареи
Н56 – Сигнализатор аварийного падения уровня тормозной жидкости
Н62, Н63 – Лампы габаритного света передние
Н64, Н65 – Лампы головного света
Н66 - Н69 – Лампы освещения приборов
Н70, Н71 – Лампы заднего противотуманного света
Н72, Н73 – Лампы света заднего хода
Н74, Н75 – Лампы сигнала торможения
Н76, Н77 – Лампы заднего габаритного света
Н78, Н79 – Лампы задних указателей поворота
Н80 – Сигнализатор габаритного света
Н81 – Сигнализатор-дублёр
Н91 – Сигнализатор системы управления двигателем
Н92 – Сигнализатор прикрытия воздушной заслонки карбюратора (ЗМЗ-402)
Н97 – Сигнализатор обогрева сидений
Н98, Н99 – Лампы ближнего света
Н100, Н101 – Лампа дальнего света
Н102, Н103 – Лампа указателя поворота передняя
H114-H119 - Громкоговорители
К1 – Реле стартера
К3 – Реле стеклоочистителя
К6 – Реле режимов кондиционера
К7 – Реле звуковых сигналов
К9 – Реле электробензонасоса
К12 – Прерыватель указателей поворота
К13 – Прерыватель сигнализатора стояночного тормоза
К18 – Реле дальнего света
К19 – Реле ближнего света
К20 – Реле противотуманных фар
К30 – Реле фароочистителя (ГАЗ-31025)
К36 – Реле электровентилятора ( для Chrysler – Главное реле)
К40 – Реле фар (ГАЗ-310231)
К42 – Реле обогрева заднего стекла
К46 – Реле системы управления двигателем (главное реле)
К52 – Реле контрольных ламп
К54 – Реле обогрева сидений
К56 – Реле электровентилятора кондиционера (климат)
К57 – Реле муфты компрессора (климат)
К71 – Реле задних противотуманных фонарей
К72 – Реле системы ЭПХХ (ЗМЗ-402)
К80 – Реле кондиционера (климат)
M1 – Стартер
М2 – Электродвигатель вентилятора отопителя
М3 – Электровентилятор системы охлаждения
М4 – Электродвигатель стеклоочистителя
М5 – Электронасос стеклоомывателя
М6 – Электробензонасос
М15 – Электродвигатель фароочистителя (ГАЗ-31025)
М19 – Электродвигатель антенны (ГАЗ-31025 и дорестайл)
М20 – Электродвигатель заднего отопителя (ГАЗ-310231)
М24 - Правое зеркало заднего вида (зеркало «31107»)
М25 – Левое зеркало заднего вида (зеркало «31107»)
М26 – Электродвигатель ЭСП левый передний
М27 – Электродвигатель ЭСП правый передний
М28 – Электродвигатель ЭСП левый задний
М29 – Электродвигатель ЭСП правый задний
М33 – Электровентилятор климатической установки
М34 – Моторедуктор заслонки рециркуляции (климат)
М35 – Моторедуктор заслонки подмешивания (отопитель, климат)
М36 – Моторедуктор верхней заслонки (отопитель, климат)
М38, М39 – Электропривод корректора фар
М40 – Электровентилятор конденсатора кондиционера (климат)
М42 - Моторедуктор нижней заслонки (отопитель, климат)
М43 – Кран отопителя
М50-М53 – Моторедуктор привода замка дверей
М54 - Моторедуктор привода замка багажника (ГАЗ-31105)
Р1 – Спидометр (382.*)
Р2 – Комбинация приборов
РЗ – Тахометр (382.*)
Р5 – Указатель напряжения (382.*)
Р6 – Указатель температуры охлаждающей жидкости (382.*)
Р7 – Указатель давления масла (382.*)
Р8 – Указатель уровня топлива (382.*)
P20 – Часы (рестайлинг)
R1-R4 – Помехоподавительные резисторы (ЗМЗ-402)
R12 – Резистор добавочный электродвигателя вентилятора отопителя (корпус «3110»)
R13 – Резистор добавочный электродвигателя вентилятора заднего отопителя (ГАЗ-310231)
R14 – Нагревательный элемент заднего стекла
R17, R18 – Элементы обогрева сиденья
R25, R26 – Электрообогрев жиклеров стеклоомывателя
R28 – Резистор кондиционера
R29 – Регулятор освещенности приборов (рестайл)
S1 – Выключатель зажигания (замок)
S5 – Выключатель аварийной сигнализации
S6 – Переключатель вентилятора отопителя (корпус «3110»)
S8 – ЦПС (рестайл)
S9 – Переключатель световой сигнализации и указателей поворота
S12 – Переключатель стеклоочистителя
S15 – Выключатель нагревательных элементов зеркал заднего вида
S18 – Выключатель заднего противотуманного света
S19 – Выключатель противотуманных фар
S29 – Выключатель света заднего хода
S30 – Выключатель сигнала торможения
S36 – Выключатель звуковых сигналов
S39 – ЦПС (дорестайл)
S50 – Переключатель управления зеркалами
S52 – Выключатель сигнализатора стояночного тормоза
S54 – Выключатель проверки сигнализаторов комбинации приборов (ранние ГАЗ-31025, 310231)
S61 – Переключатель обогрева заднего стекла (дорестайл)
S62, S76 – Выключатели центрального плафона (дверь)
S63 – Переключатель антенны (дорестайл)
S70, S71 – Выключатели индивидуального заднего плафона (рестайл)
S72 – Выключатель системы ЭПХХ (ЗМЗ-402)
S73 – Выключатель вентилятора заднего отопителя (ГАЗ-310231)
S75 – Выключатель фары-искателя (ГАЗ-310231)
S76 – Выключатель плафонов салона (ГАЗ-310231)
S77 – Выключатель плафона вещевого ящика
S80 – Переключатель ЭСП левый передний (дорестайл - отдельно, рестайл – в блоке)
S81 – Переключатель ЭСП правый передний (дорестайл - отдельно, рестайл – дублирующий)
S82 – Переключатель ЭСП левый задний (дорестайл - отдельно, рестайл – дублирующий)
S83 – Переключатель ЭСП правый задний (дорестайл - отдельно, рестайл – дублирующий)
S84 – Переключатель ЭСП правый передний (рестайл – в блоке)
S85 – Переключатель ЭСП левый задний (рестайл – в блоке)
S86 – Переключатель ЭСП правый задний (рестайл – в блоке)
S91, S92 – Выключатели обогрева сиденья
S109 – Выключатель обогрева жиклеров стеклоомывателя (ранние ГАЗ-31025, 310231)
S116 – Переключатель электрокорректора фар
S117 – Переключатель электровентилятора климатической установки
S118 – Выключатель кондиционера
S131 – Выключатель сигнализатора прикрытия воздушной заслонки карбюратора (ЗМЗ-402)
S140 – Выключатель блокировки ЭСП (рестайл)
Т1,Т4 – Катушки зажигания (для ЗМЗ-402, Chrysler и ЗМЗ-40525 – только Т1)
U2 – Магнитола
V1 – Регулятор напряжения (отдельное устройство) (ЗМЗ-402 - показан, 40525, Chrysler «Евро 3» - на схемах отсутствует)
V2 – Коммутатор транзисторный (ЗМЗ-402)
VD9 – Блок светодиодов указателя поворота левый (зеркало «31107»)
VD10 – Блок светодиодов указателя поворота правый (зеркало «31107»)
W1 - Антенна
X1 – Разъем ЭБУ
Х2 – Разъем подключения СУД к бортсети
Х37,Х38, Х53, Х55, Х56 – соединительные колодки от (в) ЭБУ (Chrysler)
Х51 – Разъём диагностики
Х65, Х82 - соединительные колодки от (в) ЭБУ моторный жгут (Chrysler)
XP1-XP4 – Разъемы панели приборов
Y3 – Электромагнитный клапан ЭПХХ (ЗМЗ-402)
Y19-Y22 – Электромагнитные форсунки (топливо)
Y23 – Регулятор холостого хода
Y27 – Муфта компрессора кондиционера
Y46 – Клапан продувки адсорбера (Евро 2, Евро 3)
Обозначение двух (или больше) цветного провода подразумевает основной первой буквой и дополнительный, второй буквой, цвет. Т.о. "БЧ" - белый основной, черный дополнительный (полоса), а "ЧБ" - черный провод с белой полосой.
Б – белый;
БГ – бело-голубой;
БК – бело-красный;
БЧ – бело-черный;
Г – голубой (синий);
ГБ – голубой-белый (синий-белый);
Ж – желтый;
ЖЗ – желто-зеленый;
ЖГ – желто-голубой;
ЖК – желто-красный;
ЖЧ – желто-черный;
З – зеленый;
К – красный;
КЗ – красно-зеленый;
КС – красно-серый;
КЧ – красно-черный;
Кч– коричневый;
КчГ – коричнево-голубой;
КчЗ – коричнево-зеленый;
О – оранжевый;
ОБ – оранжево-белый;
ОГ – оранжево-голубой;
ОЗ – оранжево-зеленый;
ОЧ – оранжево-черный;
Р – розовый;
РБ – розово-белый;
РГ – розово-голубой;
РЗ – розово-зеленый;
РК – розово-красный;
РЧ – розово-черный;
С – серый;
СБ – серо-белый;
СГ – серо-голубой;
СК – серо-красный;
СЧ – серо-черный;
Ч – черный;
ЧБ – черно-белый;
ЧЗ – черно-зеленый;
Ф – фиолетовый;
Часть проводов (КМСУД ЗМЗ-406) имеет цифровую маркировку (указана на схемах в скобках).
Схема проводки ГАЗ 24 помещалась на одну страничку "Руководства по эксплуатации". Схемы ГАЗ 24-10 и ГАЗ-3102 уже помещались на отдельных вкладках "Руководства". "Руководства по эксплуатации автомобиля Волга" с 1996 г (все "Волги" в одной книге) включали уже шесть листов схем, прилагаемых отдельно. Каждая схема к конкретной модели с конкретным двигателем. В "Руководстве" ГАЗ-31105 электросхем нет вовсе.
Машина настолько бурно развивалась, обрастая новыми системами и узлами, имела настолько большое количество комплектаций, что выпустить конкретную схему, подходящую именно этому автомобилю было очень сложно с точки зрения оперативности. Частью, этот пробел заполнили многочисленные издания по ремонту и эксплуатации ГАЗ-31105, выпущенные издательствами "За Рулем", "Третий Рим", "РусьАвтокнига". Схемы из этих книг - точная копия заводских чертежей, только выполненых в цвете.
Исключение из общего правила - "За Рулем". Их схемы - оригинальны для ГАЗ-31105.
В связи с этим позволю себе отвлечься, и нагрузить читателя своим взглядом на изложение разными издательствами принципов написания книг по ремонту и обслуживаню ГАЗ-31105.
"За Рулем" - Книги пестрят очевидными ляпами, черезчур подробным описанием элементарных вещей и поголовным отсутствием описания серьезных моментов.
"РусьАвтокнига" (2005) выпустила отличное издание, можно сказать заводское ГАЗ-овское. С фирменными ошибками, и фирменным содержанием. Книга просто замечательная, и ее я бы рекомендовал всем владельцам ГАЗ-31105. В ней есть все, что надо знать.
"Третий Рим" выпустил целую серию книг, и ч/б и цветных. По ранним машинам, по рестайлингу, по всем "Крайслер". Текст и изображения - оригинальные. К сожалению неприятный нюанс - авторы подошли к "разборке" машин слишком обобщенно. Почти совсем отсутствует акцентирование внимания на серьезных моментах, которые известны всем волговодам "со стажем". Машины представлены как натуральные макеты а не как работающие механизмы со своими особенностями. Отмечу полярный подход - машины бывают или дорестайл или рестайл - третьего не дано. Так нельзя. Многие детали из "рестайла Третьего Рима после мая 2007" встречались на рядовых Волгах поголовно в 2006-м. Отвратительно описаны машины "Крайслер" Евро 3. Скорее всего текст руководства писали еще до того, как завод выпустил такие машины. То-же самое можно сказать про единственное в природе Руководство по рестайлингу ЗМЗ, выпущенное "Третий Рим" в 2008. Книга является компиляцией книг по рестайлингу Крайслер и дорестайлингу ЗМЗ. Описания особенностей хотя-бы машин Евро 2, не говоря уже о Евро 3 - там нет. Повторюсь, схемы "Третий Рим" - раскрашенные заводские (только сечение проводов не указано).
Единственный выпущенный "Каталог деталей ГАЗ-31105" - "Третий Рим" (3000 экз). Книга сделана на основе заводских компоновочных чертежей. Двигатели, к сожалению, только ЗМЗ-402 и ЗМЗ-4062. А так - книжка замечательная своей уникальностью.
Касаясь электросхем, я убрал описания узлов (кроме ЗР - у них оригинал под цифрами) на всех схемах. Половина обозначений не отмечена в подписях, есть очевидные ошибки. В обозначениях есть и универсалы и ГАЗ-3102 в упрощенных комплектациях. К сожалению, по конкретно этим двум машинам у меня схем нет. Как нет схем к дизельному двигателю (по нему вообще нет ничего "волговского", только "Газель" и "Соболь").
Я "переобозначил" переключатели ЭСП на "Крайслер-503" (завод и Третий Рим). На всех остальных схемах они обозначены другим кодом (см.расшифровку). В схемах с Крайслером "евро 3" (завод и Третий Рим) почему-то отсуствует внешний регулятор напряжения и реле к нему. Также нет датчика неровной дороги.