1. Трапеция рулевого управления.
2. Рулевой механизм, сошка, рычаг поворотный.
3. Рулевые наконечники, регулировочные трубки с хомутами.
III. Автомобили (модели по годам, комплектации).
IV. Сборная таблица (деталей РУ по комплектациям).
V. Детально (автомобили в разрезе комплектаций).
1. 1981-1996. ГАЗ-3102.
2. 1986-1992. ГАЗ 24-10.
3. 1992-1997. ГАЗ-31029 барабаны.
4. 1992-1997. ГАЗ-31029 диски.
5. 1996-1997. ГАЗ-31029 раздельный ГУР.
6. 1997-1997. ГАЗ-3110 раздельный ГУР.
7. 1997-2003. ГАЗ-3110 ГУР.
8. 1997-2003. ГАЗ-3110 безГУР.
9. 2003-2007. ГАЗ-31105 ГУР (дорестайл).
10. 2003-2008. ГАЗ-31105 безГУР.
11. 2007-2008. ГАЗ-31105 ГУР (рестайл).
VI. Стандартные детали всех трапеций (описание, состав).
1. Тяга сошки.
1а. 24-3003010-10
1б. 31029-3414010-200
1в. 3110-3414010-10
2. Тяга рулевая.
2а. 24-3003050-01
2б. 3102-3414050
2в. 31011-3414050
3. Наконечник тяги.
3а. 24-3003056
3б. 3102-3414056
4. Маятниковый шарнир.
4а. 24-3003080-10
4б. 3110-3414080
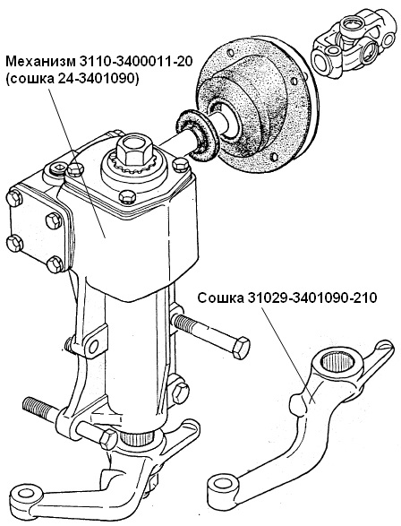
5. Механизм РУ.
5а, 5б. 3102-3400014-10, 31029-3400014
5в. 3110-3400011-10
5г, 5д. 3110-3400011-20, 3110-3400011-30
5е, 5ж. 31105-3400011, 31105-3400011-20
6. Сошка.
6а. 24-3401090
6б. 31029-3401090-210
6в. 3110-3401090-010
6г. 3110-3401090-03
7. Рычаги рулевой трапеции.
7а. 24-3001030(31)
7б. 3102-3001031-10
7в. 3110-3001031
7г. 3110-3001031-10
7д. 3110-3001031-20
7е. 3110-3001031-30
I. Введение.
Написать страничку меня подтолкнула невесть кем поставленная на мою машину тяга сошки от 3110, которая задевала поддон картера двигателя. Были взяты каталоги деталей автомобилей "ГАЗ-3102", "ГАЗ 24-10", "ГАЗ-31029", "ГАЗ-3110", "ГАЗ-31105", в количестве более десятка, и проведена ревизия. Рулевое управление машин "ГАЗ 24" и раньше - не рассмотрено.
В обзор не включены трапеции автомобилей "Волга" с двигателями V8. Детали там сплошь оригинальные на каждую модель (за исключением общих для "Волг" рулевых наконечников). Каталогов деталей на такие машины я не имею, у меня есть только их "РЭ".
На самом деле количество деталей одной номенклатуры рулевых трапеций не так велико, как можно себе представить. Просто трапеции на разные автомобили компоновались из разных составных деталей предшествующих "Волг", и поэтому каждой комплектации рулевой трапеции присваивалось свое обозначение.
Цитата: "...Цифровые индексы 01, 02... 09, стоящие после номер детали, например, 24-10-3501010-02, обозначают, что эта деталь взаимозаменяема с первоначальной деталью без индекса и со всеми деталями в пределах диапазона индексов 01 ... 09. Цифровые индексы 20, 21 ... 29 обозначают, что в пределах диапазона 20 ... 29 эти детали взаимозаменяемы между собой, но не взаимозаменяемы с первоначальной деталью без индекса и с деталями с индексами в диапазоне 01 ... 19, 30 ... 39 и т.д."
II. Обзор.
1. В состав запчасти "трапеция рулевого управления", которая поступает в продажу, входят следующие элементы:
- тяга сошки;
- тяга рулевая;
- маятниковый шарнир;
- наконечник тяги;
- регулировочные трубки с хомутами;
- рулевые наконечники;

2. Поскольку конфигурация "трапеция рулевого управления" на конкретный автомобиль привязана к другим деталям рулевого управления, для наглядности рассмотрены:
- рулевой механизм (заводской индекс детали - сам механизм, шарнир и сошка);
- сошка (отдельно от механизма);
- рычаг поворотный левый (правый);

3. Стандартными деталями, общими для всех рулевых трапеций являются:
- рулевые наконечники;
- регулировочные трубки с хомутами;

III. Автомобили.
Модельный ряд разнесен по годам, согласно появлению на автомобилях новых подвесок, двигателей и рулевых механизмов. За типовые машины взят мэйнстрим тех лет, в скобках указаны выпускавшиеся на заводе в этот период другие "Волги" с аналогичными компонентами подвесок и механизмов управления. Универсалы - по годам и согласно наличию комплектации (не указаны).
1. 1981-1996. ГАЗ-3102 - шкворни, безГУР, передний тормоз дисковый.
Трапеция 3102-3414005
2. 1986-1992. ГАЗ 24-10 - шкворни, безГУР, передний тормоз барабанный.
Трапеция 24-3003005-01
3. 1992-1997. ГАЗ-31029 (ГАЗ-3102) - шкворни, безГУР, передний тормоз барабанный.
Трапеция 24-3003005-01
4. 1992-1997. ГАЗ-31029 (ГАЗ-3102) - шкворни, безГУР, передний тормоз дисковый.
Трапеция 3102-3414005
5. 1996-1997. ГАЗ-31029 (ГАЗ-3102) - шкворни, ГУР раздельный, передний тормоз барабанный.
Трапеция unknown
6. 1997-1997. ГАЗ-3110 - шкворни, ГУР раздельный, передний тормоз дисковый.
Трапеция 31029-3414005-200
7. 1997-2003. ГАЗ-3110 (ГАЗ-3102) - шкворни, ГУР встроенный, передний тормоз дисковый.
Трапеция 3110-3414005-10
8. 1997-2003. ГАЗ-3110 (ГАЗ-3102) - шкворни, безГУР, передний тормоз дисковый.
Трапеция 3102-3414005
9. 2003-2007. ГАЗ-31105 (ГАЗ-3102, ГАЗ-3110) - шаровая, ГУР встроенный, передний тормоз дисковый.
Трапеция 3110-3414005-20 (31105-3414005-10)
10. 2003-2008. ГАЗ-31105 (ГАЗ-3110) - шаровая, безГУР, передний тормоз дисковый.
Трапеция 3102-3414005 (31105-3414005)
11. 2007-2008. ГАЗ-31105 (ГАЗ-3102) - шаровая, безГУР, передний тормоз дисковый.
Трапеция 31105-3414005-10
IV. Сборная таблица.
| Тяга сошки | Тяга рулевая | Нако- нечник тяги |
Маятн. шарнир |
Механизм РУ | Сошка | Рычаг р.трап. левый | ||||||||||||||||||||
| 24-3003010-10 | 31029-3414010-200 | 3110-3414010-10 | 24-3003050-01 | 3102-3414050 | 31011-3414050 | 24-3003056 | 3102-3414056 | 24-3003080-10 | 3110-3414080 | 3102-3400014-10 | 31029-3400014 | 3110-3400011-10 | 3110-3400011-20 | 3110-3400011-30 | 31105-3400011 | 31105-3400011-20 | 24-3401090 | 31029-3401090-210 | 3110-3401090-010 | 3110-3401090-030 | 24-3001031 | 3102-3001031-10 | 3110-3001031 | 3110-3001031-10 | 3110-3001031-20 | 3110-3001031-30 |
| 1. ГАЗ-3102, трапеция 3102-3414005 | ||||||||||||||||||||||||||
2. ГАЗ 24-10, трапеция 24-3003005-01 |
||||||||||||||||||||||||||
3. ГАЗ-31029-барабаны, трапеция 24-3003005-01 |
||||||||||||||||||||||||||
4. ГАЗ-31029-диски, трапеция 3102-3414005 |
||||||||||||||||||||||||||
5. ГАЗ-31029-ГУР раздельный |
||||||||||||||||||||||||||
6. ГАЗ-3110-ГУР раздельный, трапеция 31029-3414005-200 |
||||||||||||||||||||||||||
7. ГАЗ-3110-ГУР встроенный, трапеция 3110-3414005-10 |
||||||||||||||||||||||||||
8. ГАЗ-3110-безГУР, трапеция 3102-3414005 |
||||||||||||||||||||||||||
9. ГАЗ-31105-ГУР встроенный, трапеция 3110-3414005-20 (31105-3414005-10) |
||||||||||||||||||||||||||
10. ГАЗ-31105-безГУР, трапеция 3102-3414005 (31105-3414005) |
||||||||||||||||||||||||||
11. ГАЗ-31105-ГУР встроенный, трапеция 31105-3414005-10 |
||||||||||||||||||||||||||
V. Детально.
1. 1981-1996. ГАЗ-3102. Трапеция 3102-3414005.
Spec: шкворни, безГУР, передний тормоз дисковый.
В группе рассмотрены машины т.н. "первой серии", с колесными дисками 14". Отличительной особенностью рулевой трапеции ГАЗ-3102 (от ГАЗ 24, 24-10) являются наконечники тяг, корпус которых выполнен с резьбовой частью "под углом" в отличии от "прямых" наконечников рулевых тяг ГАЗ 24. Также поворотные рычаги выполнены заодно с повортным кулаком и являются неразъемными с ним. Механизм рулевого управления 3102 отличается от механизма 24 новым валом с червяком (на 24 - от ГАЗ 13).
| № | Название | Номер | Название и номер сопутств. | Примечание |
| 1 | Тяга сошки | 24-3003010-10 | Тяга без шарниров - 24-3003013-10 | Тяга 24, 3102, 24-10, 31029(кроме раздГУР), 3110(безГУР), 31105 |
| 2 | Тяга рулевая (2 шт.) | 3102-3414050 | Тяга с шарниром без наконечника - 24-3003052-01 Тяга без ничего - 24-3003054-10 |
С наконечником - тяга 3102, 31029(диск), 3110(безГУР), 31105 Без наконечника - тяга 24, 3102, 24-10, 31029(кроме раздГУР), 3110(безГУР), 31105 |
| 3 | Наконечник тяги | 3102-3414056 | Без шарнира - 3102-3414062 | Все, кроме 24, 24-10, 31029(бараб, раздГУР) |
| 4 | Маятниковый шарнир | 24-3003080-10 | Без шарнира и кронштейна - 24-3003084-10 | Все, кроме 31105(ГУР) |
| 5 | Механизм РУ | 3102-3400014-10 | Механизм 24-10, 3102, 31029(кроме раздГУР) | |
| 6 | Сошка | 24-3401090 | Сошка 24, 24-10, 3102, 31029(кроме раздГУР), 3110(безГУР), 31105(безГУР) | |
| 7 | Рычаг рулевой трапеции левый (в составе кулака поворотного) |
3102-3001031-10 | Неразъемен с кулаком, также 31029(диск) | |
| 8 | Рычаг рулевой трапеции правый (в составе кулака поворотного) |
3102-3001030-10 | Неразъемен с кулаком, также 31029(диск) |
2. 1986-1992. ГАЗ 24-10 (ГАЗ-3102). Трапеция 24-3003005-01.
Spec: шкворни, безГУР, передний тормоз барабанный.
Рулевая трапеция - полный аналог трапеции ГАЗ 24. Единственное отличие - рулевой механизм от ГАЗ-3102.
| № | Название | Номер | Название и номер сопутств. | Примечание |
| 1 | Тяга сошки | 24-3003010-10 | Тяга без шарниров - 24-3003013-10 | Тяга 24, 3102, 24-10, 31029(кроме раздГУР), 3110(безГУР), 31105 |
| 2 | Тяга рулевая (2 шт.) | 24-3003050-01 | Тяга с шарниром без наконечника - 24-3003052-01 Тяга без ничего - 24-3003054-10 |
С наконечником - тяга 24, 24-10, 31029(диск) Без наконечника - тяга 24, 3102, 24-10, 31029(кроме раздГУР), 3110(безГУР), 31105 |
| 3 | Наконечник тяги | 24-3003056 | Без шарнира - 24-3003062 | Наконечник 24, 24-10, 31029(бараб, раздГУР) |
| 4 | Маятниковый шарнир | 24-3003080-10 | Без шарнира и кронштейна - 24-3003084-10 | Все, кроме 31105(ГУР) |
| 5 | Механизм РУ | 3102-3400014-10 | Механизм 24-10, 3102, 31029(кроме раздГУР) | |
| 6 | Сошка | 24-3401090 | Сошка 24, 24-10, 3102, 31029(кроме раздГУР), 3110(безГУР), 31105(безГУР) | |
| 7 | Рычаг рулевой трапеции левый | 24-3001031 | Рычаг 24, 24-10, 31029(бараб, раздГУР) | |
| 8 | Рычаг рулевой трапеции правый | 24-3001030 | Рычаг 24, 24-10, 31029(бараб, раздГУР) |
3. 1992-1997. ГАЗ-31029 (ГАЗ-3102). Трапеция 24-3003005-01.
Spec: шкворни, безГУР, передний тормоз барабанный.
Основная Spec комбинация для ГАЗ-31029. Относительно ГАЗ-3102: в официальных руководствах по эксплуатации машин с барабаннымим тормозами не описано. Тем не менее в книгах под редакцией официальных лиц ГАЗа указано возможное наличие таких тормозных механизмов на ГАЗ-3102. В действительности такие машины также выпускались. Рулевая трапеция и механизм машин этой группы аналогичны деталям ГАЗ 24-10.
| № | Название | Номер | Название и номер сопутств. | Примечание |
| 1 | Тяга сошки | 24-3003010-10 | Тяга без шарниров - 24-3003013-10 | Тяга 24, 3102, 24-10, 31029(кроме раздГУР), 3110(безГУР), 31105 |
| 2 | Тяга рулевая (2 шт.) | 24-3003050-01 | Тяга с шарниром без наконечника - 24-3003052-01 Тяга без ничего - 24-3003054-10 |
С наконечником - тяга 24, 24-10, 31029(диск) Без наконечника - тяга 24, 3102, 24-10, 31029(кроме раздГУР), 3110(безГУР), 31105 |
| 3 | Наконечник тяги | 24-3003056 | Без шарнира - 24-3003062 | Наконечник 24, 24-10, 31029(бараб, раздГУР) |
| 4 | Маятниковый шарнир | 24-3003080-10 | Без шарнира и кронштейна - 24-3003084-10 | Все, кроме 31105(ГУР) |
| 5 | Механизм РУ | 3102-3400014-10 | Механизм 24-10, 3102, 31029(кроме раздГУР) | |
| 6 | Сошка | 24-3401090 | Сошка 24, 24-10, 3102, 31029(кроме раздГУР), 3110(безГУР), 31105(безГУР) | |
| 7 | Рычаг рулевой трапеции левый | 24-3001031 | Рычаг 24, 24-10, 31029(бараб, раздГУР) | |
| 8 | Рычаг рулевой трапеции правый | 24-3001030 | Рычаг 24, 24-10, 31029(бараб, раздГУР) |
4. 1992-1997. ГАЗ-31029 (ГАЗ-3102). Трапеция 3102-3414005.
Spec: шкворни, безГУР, передний тормоз дисковый.
Трапеция и механизм комплектаций ГАЗ-31029 с дисковыми тормозами и колесными дисками на 14" аналогичны деталям ГАЗ-3102 (группа 1). Машины с дисками на 15" следует смотреть в группах 7 и 8.
| № | Название | Номер | Название и номер сопутств. | Примечание |
| 1 | Тяга сошки | 24-3003010-10 | Тяга без шарниров - 24-3003013-10 | Тяга 24, 3102, 24-10, 31029(кроме раздГУР), 3110(безГУР), 31105 |
| 2 | Тяга рулевая (2 шт.) | 3102-3414050 | Тяга с шарниром без наконечника - 24-3003052-01 Тяга без ничего - 24-3003054-10 |
С наконечником - тяга 3102, 31029(диск), 3110(безГУР), 31105 Без наконечника - тяга 24, 3102, 24-10, 31029(кроме раздГУР), 3110(безГУР), 31105 |
| 3 | Наконечник тяги | 3102-3414056 | Без шарнира - 3102-3414062 | Все, кроме 24, 24-10, 31029(бараб, раздГУР) |
| 4 | Маятниковый шарнир | 24-3003080-10 | Без шарнира и кронштейна - 24-3003084-10 | Все, кроме 31105(ГУР) |
| 5 | Механизм РУ | 3102-3400014-10 | Механизм 24-10, 3102, 31029(кроме раздГУР) | |
| 6 | Сошка | 24-3401090 | Сошка 24, 24-10, 3102, 31029(кроме раздГУР), 3110(безГУР), 31105(безГУР) | |
| 7 | Рычаг рулевой трапеции левый (в составе кулака поворотного) |
3102-3001031-10 | Неразъемен с кулаком, также 3102(колеса 14) | |
| 8 | Рычаг рулевой трапеции правый (в составе кулака поворотного) |
3102-3001030-10 | Неразъемен с кулаком, также 3102(колеса 14) |
5. 1996-1997. ГАЗ-31029 (ГАЗ-3102). Трапеция unknown.
Spec: шкворни, ГУР раздельный, передний тормоз барабанный.
Редко встречающаяся комбинация рулевого управления с силовым цилиндром, приаттаченным к тяге сошки специальным пальцем. Такой тип ГУР характерен для легковых машин ГАЗ с двигателями V8. Для "гражданских" комплектаций раздельный ГУР ставился только на машины с двигателями ЗМЗ-402.
Соответствующее "Дополнение к Руководствам по эксплуатации ГАЗ-3102 и ГАЗ-31029" датировано январем 1996 г.
Документация, из которой взяты сведения по этому типу рулевого управления для ГАЗ-31029 - "Комплект документов на технологический процесс разборки-сборки агрегатов и узлов": "Механизм рулевого управления 31029-3400014. Разборка-сборка" и "Тяга сошки с клапаном управления гидроусилителя руля. Разборка-сборка". В доступных мне Каталогах деталей ГАЗ-31029 данное рулевое управление отсутствует. Таким образом у меня нет исчерпывающих сведений по этим рулевым трапециям. Точно известен номер рулевого механизма (предположительно отличается от механизма 3102- оригинальной сошкой), и номера рулевых тяг.
Тяги рулевой трапеции указаны 24-3003050-01. Т.о. машины оборудованы барабанными тормозами (колесные диски на 14") и "прямыми" рулевыми наконечниками 24-3003056. Тяга сошки с клапаном управления - 31029-3414010-200 та-же, что в следующей группе 6, для машин ГАЗ-3110 с дисковыми тормозами и рулевыми тягами 31011-3414050. Разница в длине между тягами (с наконечниками) 24-3003050-01 и 31011-3414050 ~ 2,5 см. Две тяги ~ 5 см. Если нет ошибок в каталогах деталей ГАЗ-3110 и "Комплект документов на технологический процесс разборки-сборки агрегатов и узлов" возможно эту разницу можно убрать регулировкой длины рулевых тяг. Точные сведения отсутствуют.
| № | Название | Номер | Название и номер сопутств. | Примечание |
| 1 | Тяга сошки с клапаном управления | 31029-3414010-200 | Тяга с наконечником (без клапана управления) - 31029-3414011-200 | Тяга 31029(раздГУР), 3110(раздГУР) |
| 2 | Тяга рулевая (2 шт.) | 24-3003050-01 | Тяга с шарниром без наконечника - 24-3003052-01 Тяга без ничего - 24-3003054-10 |
С наконечником - тяга 24, 24-10, 31029(диск) Без наконечника - тяга 24, 3102, 24-10, 3110(безГУР), 31105 |
| 3 | Наконечник тяги | 24-3003056 | Без шарнира - 24-3003062 | Наконечник 24, 24-10, 31029(бараб, раздГУР) |
| 4 | Маятниковый шарнир | 24-3003080-10 | Без шарнира и кронштейна - 24-3003084-10 | Все, кроме 31105(ГУР) |
| 5 | Механизм РУ | 31029-3400014 | Клапан управления ГУР - 31029-3430010-210 | Механизм только 31029(раздГУР) |
| 6 | Сошка | 31029-3401090-210 | Сошка 31029(раздГУР), 3110(раздГУР) | |
| 7 | Рычаг рулевой трапеции левый | 3110-3001031 | Рычаг 24, 24-10, 31029(бараб, раздГУР) | |
| 8 | Рычаг рулевой трапеции правый | 3110-3001030 | Рычаг 24, 24-10, 31029(бараб, раздГУР) |
6. 1997-1997. ГАЗ-3110. Трапеция 31029-3414005-200.
Spec: шкворни, ГУР раздельный, передний тормоз дисковый.
Машины с раздельным ГУР и колесами на 15" выпускались на старте запуска ГАЗ-3110 в серию. Двигатель - только ЗМЗ-402. Описание компонент представлено в каждом "каталоге деталей" ГАЗ-3110 и современных им ГАЗ-3102. Выпускались ли ГАЗ-3102 с раздельным ГУР - мне неизвестно.
Комплект документов по "сборке-разбоке" компонентов этого ГУРа для автомобиля ГАЗ-3110 подписан апрелем 1997 г.
| № | Название | Номер | Название и номер сопутств. | Примечание |
| 1 | Тяга сошки с клапаном управления | 31029-3414010-200 | Тяга с наконечником (без клапана управления) - 31029-3414011-200 | Тяга 31029(раздГУР), 3110(раздГУР) |
| 2 | Тяга рулевая (2 шт.) | 31011-3414050 | Тяга с шарниром без наконечника - 14-3414052 Тяга без ничего - 14-3414054 |
Тяга 3110(раздГУР), 3110(ГУР) |
| 3 | Наконечник тяги | 3102-3414056 | Без шарнира - 3102-3414062 | Все, кроме 24, 24-10, 31029(бараб, раздГУР) |
| 4 | Маятниковый шарнир | 24-3003080-10 | Без шарнира и кронштейна - 24-3003084-10 | Все, кроме 31105(ГУР) |
| 5 | Механизм РУ | 3110-3400011-30 | Клапан управления ГУР - 31029-3430010-210 | Механизм только 3110(раздГУР) |
| 6 | Сошка | 31029-3401090-210 | Сошка 31029(раздГУР), 3110(раздГУР) | |
| 7 | Рычаг рулевой трапеции левый | 3110-3001031 | Рычаг 3110(раздГУР), 3110(ГУР) | |
| 8 | Рычаг рулевой трапеции правый | 3110-3001030 | Рычаг 3110(раздГУР), 3110(ГУР) |
7. 1997-2003. ГАЗ-3110. Трапеция 3110-3414005-10.
Spec: шкворни, ГУР встроенный, передний тормоз дисковый.
Машины с ГУР (на этот раз встроенным) встречаются реже машин безГУР (см сл. группу). Тем не менее машин было выпущенно много (как и ГАЗ-3110 вообще). Номер номенклатуры механизма ГУР по заводу-производителю (БАГУ) - ШНКФ 453461.100. Деталь 3110-3400011-10. Рулевая трапеция стала отличаться от предшественников. Тяга сошки теперь прямая без изгиба под поддон картера двигателя. Рулевые тяги остались от 3110 раздельный ГУР (они-же 31011-, без шарнира - 14-). Отдельно ни одна из трех тяг не взаимозаменяема с предшественниками (для машин с 14" колесами), поскольку теперь они отличаются по длине. Появилась оригинальная сошка. Поворотные рычаги - от 3110 раздГУР. Они короче (~25,5 см), нежели рычаги 3110 безГУР.
С приходом колесных дисков 15" соединение рулевого механизма с рулевым валом осуществляется только через карданный шарнир. Резиновая безопасная муфта, гасящая колебания на рулевую колонку и колесо - ушла в прошлое.
| № | Название | Номер | Название и номер сопутств. | Примечание |
| 1 | Тяга сошки | 3110-3414010-10 | Тяга без шарниров - 3110-3414013-11 | Тяга только для 3110 (ГУР) |
| 2 | Тяга рулевая (2 шт.) | 31011-3414050 | Тяга с шарниром без наконечника - 14-3414052 Тяга без ничего - 14-3414054 |
Тяга 3110(раздГУР), 3110(ГУР) |
| 3 | Наконечник тяги | 3102-3414056 | Без шарнира - 3102-3414062 | Все, кроме 24, 24-10, 31029(бараб, раздГУР) |
| 4 | Маятниковый шарнир | 24-3003080-10 | Без шарнира и кронштейна - 24-3003084-10 | Все, кроме 31105(ГУР) |
| 5 | Механизм РУ | 3110-3400011-10 | Механизм только 3110(ГУР) | |
| 6 | Сошка | 3110-3401090-010 | Сошка только 3110(ГУР) | |
| 7 | Рычаг рулевой трапеции левый | 3110-3001031 | Рычаг 3110(раздГУР), 3110(ГУР) | |
| 8 | Рычаг рулевой трапеции правый | 3110-3001030 | Рычаг 3110(раздГУР), 3110(ГУР) |
8. 1997-2003. ГАЗ-3110 (ГАЗ-3102). Трапеция 3102-3414005.
Spec: шкворни, безГУР, передний тормоз дисковый.
Машины комплектовались старой рулевой трапецией от ГАЗ-3102 (группа 1). Изменения каснулись поворотных рычагов (оригинал 3110 безГУР), также изменился рулевой механизм. Механизм аналогичен старому безГУР, от ГАЗ-3102, только теперь, естественно, оборудован валом под карданный шарнир.
| № | Название | Номер | Название и номер сопутств. | Примечание |
| 1 | Тяга сошки | 24-3003010-10 | Тяга без шарниров - 24-3003013-11 | Тяга 24, 3102, 24-10, 31029(кроме раздГУР), 3110(безГУР), 31105 |
| 2 | Тяга рулевая (2 шт.) | 3102-3414050 | Тяга с шарниром без наконечника - 24-3003052-01 Тяга без ничего - 24-3003054-10 |
С наконечником - тяга 3102, 31029(диск), 3110(безГУР), 31105 Без наконечника - тяга 24, 3102, 24-10, 31029(кроме раздГУР), 3110(безГУР), 31105 |
| 3 | Наконечник тяги | 3102-3414056 | Без шарнира - 3102-3414062 | Все, кроме 24, 24-10, 31029(бараб, раздГУР) |
| 4 | Маятниковый шарнир | 24-3003080-10 | Без шарнира и кронштейна - 24-3003084-10 | Все, кроме 31105(ГУР) |
| 5 | Механизм РУ | 3110-3400011-20 | Без кардана - 3110-3400014-20 | Механизм 3110(безГУР), 31105(безГУР) |
| 6 | Сошка | 24-3401090 | Сошка 24, 24-10, 3102, 31029(кроме раздГУР), 3110(безГУР), 31105(безГУР) | |
| 7 | Рычаг рулевой трапеции левый | 3110-3001031-10 | Рычаг только 3110(безГУР) | |
| 8 | Рычаг рулевой трапеции правый | 3110-3001030-10 | Рычаг только 3110(безГУР) |
9. 2003-2007. ГАЗ-31105 (ГАЗ-3102, ГАЗ-3110). Трапеция 3110-3414005-20 (31105-3414005-10).
Spec: шаровые опоры, ГУР встроенный, передний тормоз дисковый.
К этой группе принадлежит подавляющее большинство машин и с ЗМЗ(405, 406) и с Крайслер. Номер номенклатуры механизма ГУР по заводу-производителю (БАГУ) - ШНКФ 453461.103. Деталь 31105-3400011.
Механизм ГУР .103 устанавливался на большинство ГАЗ-3110 в 2003 г. Есть информация, что ГУР .100 устанавливали на заводе вплоть до конца 2004 г. Из внешних отличий .103 от .100 - болты крышек под другой размер ключа и приклепанная табличка маркировки (поздние .100 - тоже с табличкой).
Касаемо рулевой трапеции - завод вернулся к тягам "24-3102". Тем не менее рулевое управление для машин с ГУР обзавелось оригинальными маятником, сошкой и поворотными рычагами.
Через некоторое время после начала выпуска (апрель 2004), изменились рулевые шарниры - увеличилась высота корпуса пальца на 1 мм. Рулевые трапеции с новыми деталями перестали именоваться "3110-3414005-20" и стали именоваться "31105-3414005-10". Также были изменены оба пыльника. Индекс детали стал начинаться с "31105-". Изменились пыльники скорее всего геометрически, поскольку взаимозаменяемы со старыми.
Поворотные рычаги для подвески на шаровых опорах визуально отличаются от соответствующих рычагов шкворневой подвески в первую очередь ограничительным выступом (упирается в площадку нижней шаровой для ограничения выворота). Для "шаровой" подвески ГУР общая длина рычага - 23,5 см, для безГУР - 27 см.
| № | Название | Номер | Название и номер сопутств. | Примечание |
| 1 | Тяга сошки | 24-3003010-10 | Тяга без шарниров - 24-3003013-11 | Тяга 24, 3102, 24-10, 31029(кроме раздГУР), 3110(безГУР), 31105 |
| 2 | Тяга рулевая (2 шт.) | 3102-3414050 | Тяга с шарниром без наконечника - 24-3003052-01 Тяга без ничего - 24-3003054-10 |
С наконечником - тяга 3102, 31029(диск), 3110(безГУР), 31105 Без наконечника - тяга 24, 3102, 24-10, 31029(кроме раздГУР), 3110(безГУР), 31105 |
| 3 | Наконечник тяги | 3102-3414056 | Без шарнира - 3102-3414062 | Все, кроме 24, 24-10, 31029(бараб, раздГУР) |
| 4 | Маятниковый шарнир | 3110-3414080 | Шарнир только 31105(ГУР) | |
| 5 | Механизм РУ | 31105-3400011 | Механизм только 31105(ГУР) | |
| 6 | Сошка | 3110-3401090-030 | Сошка только 31105(ГУР) | |
| 7 | Рычаг рулевой трапеции левый | 3110-3001031-20 | Рычаг только 31105(ГУР) | |
| 8 | Рычаг рулевой трапеции правый | 3110-3001030-20 | Рычаг только 31105(ГУР) |
10. 2003-2008. ГАЗ-31105 (ГАЗ-3110). Трапеция 3102-3414005 (31105-3414005).
Spec: шаровые опоры, безГУР, передний тормоз дисковый.
БезГУР выпускалиись машины с 402-м (-411 комплектация) и все машины "такси" (в том числе 406 и Крайслер). Рулевой механизм - тот же что 3110 безГУР. Трапеция, за исключением поворотных рычагов - группа 1, ГАЗ-3102. Поворотные рычаги - оригинал.
Вопрос о наличии такой трапеции на ГАЗ-3102 - не выяснен.
| № | Название | Номер | Название и номер сопутств. | Примечание |
| 1 | Тяга сошки | 24-3003010-10 | Тяга без шарниров - 24-3003013-11 | Тяга 24, 3102, 24-10, 31029(кроме раздГУР), 3110(безГУР), 31105 |
| 2 | Тяга рулевая (2 шт.) | 3102-3414050 | Тяга с шарниром без наконечника - 24-3003052-01 Тяга без ничего - 24-3003054-10 |
С наконечником - тяга 3102, 31029(диск), 3110(безГУР), 31105 Без наконечника - тяга 24, 3102, 24-10, 31029(кроме раздГУР), 3110(безГУР), 31105 |
| 3 | Наконечник тяги | 3102-3414056 | Без шарнира - 3102-3414062 | Все, кроме 24, 24-10, 31029(бараб, раздГУР) |
| 4 | Маятниковый шарнир | 24-3003080-10 | Без шарнира и кронштейна - 24-3003084-10 | Все, кроме 31105(ГУР) |
| 5 | Механизм РУ | 31105-3400011 | Механизм 3110(безГУР), 31105(безГУР) | |
| 6 | Сошка | 24-3401090 | Сошка 24, 24-10, 3102, 31029(кроме раздГУР), 3110(безГУР), 31105(безГУР) | |
| 7 | Рычаг рулевой трапеции левый | 3110-3001031-30 | Рычаг только 31105(безГУР) | |
| 8 | Рычаг рулевой трапеции правый | 3110-3001030-30 | Рычаг только 31105(безГУР) |
11. 2007-2008. ГАЗ-31105 (ГАЗ-3102). Трапеция 31105-3414005-10.
Spec: шаровые опоры, ГУР встроенный, передний тормоз дисковый.
Номер номенклатуры механизма ГУР по заводу-производителю (БАГУ) - ШНКФ 453461.103-10. Деталь 31105-3400011-20. Изменения относительно 453461.103 - вал соединяется с рулевой колонкой посредством шарнира со шлицами, а не с клиновым соединением как прежде. Удобство - простота монтажа-демонтажа шлицевого соединения.
Изменения в деталях рулевого управления связаны с появлением салона нового образца. Была изменена рулевая колонка в том числе.
По рулевым колонкам:
1. 31105-3401100 - Колонка рулевого управления в сборе. Салон дорестайл. Карданный шарнир (клин) - 3110-3401046;
2. 31105-3401100-20 - Колонка рулевого управления в сборе. Салон дорестайл. Карданный шарнир (шлицы + болт) - 31105-3401046;
3. 31105-3401100-30 - Колонка рулевого управления в сборе. Салон рестайл. Карданный шарнир (шлицы + болт) - 31105-3401046;
В каталоге на машины с Крайслер 2005 года (салон дорестайл) появилась колонка 31105-3401100-20 с валом РУ 31105-3401032-20. Этот вал - под карданный шарнир "шлицы + болт". Тем не менее машины с Крайслер (и с ЗМЗ) продолжали выпускаться со старым валом 31105-3401032 и соответствующим карданным шарниром "под клин" вплоть до появления нового салона. В деталях ни колонка 31105-3401100-20 ни вал 31105-3401032-20 не встречаются.
В "рестайловом" салоне была установлена регулируемая в двух плоскостях рулевая колонка 31105-3401100-30 с карданным шарниром под "шлицы + болт".
Рулевая трапеция (31105-3414005-10) и поворотные рычаги на машинах рейстайл - те же что и на предшествующих 31105 ГУР.
| № | Название | Номер | Название и номер сопутств. | Примечание |
| 1 | Тяга сошки | 24-3003010-10 | Тяга без шарниров - 24-3003013-11 | Тяга 24, 3102, 24-10, 31029(кроме раздГУР), 3110(безГУР), 31105 |
| 2 | Тяга рулевая (2 шт.) | 3102-3414050 | Тяга с шарниром без наконечника - 24-3003052-01 Тяга без ничего - 24-3003054-10 |
С наконечником - тяга 3102, 31029(диск), 3110(безГУР), 31105 Без наконечника - тяга 24, 3102, 24-10, 31029(кроме раздГУР), 3110(безГУР), 31105 |
| 3 | Наконечник тяги | 3102-3414056 | Без шарнира - 3102-3414062 | Все, кроме 24, 24-10, 31029(бараб, раздГУР) |
| 4 | Маятниковый шарнир | 3110-3414080 | Шарнир только 31105(ГУР) | |
| 5 | Механизм РУ | 31105-3400011-20 | Механизм только 31105(ГУР) | |
| 6 | Сошка | 3110-3401090-030 | Сошка только 31105(ГУР) | |
| 7 | Рычаг рулевой трапеции левый | 3110-3001031-20 | Рычаг только 31105(ГУР) | |
| 8 | Рычаг рулевой трапеции правый | 3110-3001030-20 | Рычаг только 31105(ГУР) |
VI. Стандартные детали.
В этот раздел включено описание стандартных деталей всех рулевых трапеций . Это рулевые шарниры и регулировочные трубки. Детали почти не изменились со времен выпуска ГАЗ 24. Исключение составляют только корпуса пальцев 31105 и пыльники 31105. Изменения 105-х деталей столь невелики, что вполне допустима их замена с предшественниками в любой комбинации.
Позволю себе остановиться на мыслях относительно зоопарка наконечников, который мы наблюдаем. Список требований к нормальным наконечникам в связи с той анархией, что царит в продаваемых деталях этой группы должен быть такой:
- Внешний диаметр корпуса - 32,00 мм до сотых;
- Корпус твердый - должен держать удары кувалды по верхней части без замятий;
- Палец твердый - резьба не тянется при затяжке рекомендуемым усилием (4-5 кгс);
- Шплинтовочное отверстие в пальце засверлено ровно;
- Заглушка шарнира точеная, а не шатмпованная;
- Поясок гофрированого пыльника - до десятых (оправка для него - 41 мм).
По остальным пунктам думаю допустимы всякие вольности. Качество пружин, опорных пят и резины пыльников шарниров рулевой трапеции не играет решающей роли. Ходят шарниры не долго, стоят дешево и менять в сборе их приходится часто. Пальцы могут быть точеные или штампованные (ГАЗ). Пыльники - резина или силикон. Пружины - разного количества витков и диаметра прутка.
При установке шарниров в тяги желательно иметь оправку, с целью недопущения выхода корпуса шарнира из тяги на максимально возмажное значение. Таким образом гарантируется непослабленное отвестие в тяге под шарнир. Волговские тяги довольно мягкие и убить их неправльной запрессовкой или некондиционным шарниром можно легко.
Оправка состоит из двух деталей - нажимной пяты и опорной втулки (на рисунке обозначены желтым цветом). В пяте сделаны два противоположных паза под шплинт и выточка глубиной 5,5-6 мм (для шарниров "31105-" соответственно 6,5-7 мм), ограничивающая правильное положение шарнира относительно торца головки наконечника или рулевой тяги (обозначены фиолетовым цветом).

Новые шарниры в запчасти поставляются без "втулка пальца шарнира" (24-303166, 24-303034), а шарнир маятникового рычага требует еще установки сухаря (24-3003022). По возможности эти детали лучше заказать к изготовлению, поскольку отдельно они не поставляются.
Новые шарниры после установки регулируются заглушкой "до упора, потом назад до совпадения с отверстием под шплинт" все шесть. Поработавшие - на наконечниках (2 шт) отпустить заглушку на целый оборот для шплинтовки, остальные на тягах и маятниковом рычаге 4 - на полоборота и до совпадения с отверстий под шплинт с прорезью.
Относительно смазки - допускается любая консистентная. В том числе "Литол", "ШРБ", "ЦИАТИМ-201" и т.д. Смазка выполняет защитную функцию. В разных заводских руководствах упомянуты все вышеперечисленные (т.е. выбор не принципиален).
Ключевые условия правильной работы шарнира - хорошо напрессованные (плотно надетые, для тяги сошки) непорванные пыльники и правильная ориентация прорезей корпусов шарниров в тягах, рычагах и наконечниках. Напомню - прорези должны быть расположены вдоль тяг (+/- 3 градуса), для маятникового щарнира - прорезь должна быть поперек воображаемой линии от корпуса шарнира до пальца рулевого наконечника (+/- 6 градусов) (грубо после установки - прорезь вдоль тяги сошки).

| № | Название | Номер | Примечание | Кол-во на авт. |
| 1 | Шарнир в сборе | 24-3003029 | В составе: корпус, палец, пята, пружина, заглушка, шплинт | 6 |
| 2 | Шарнир рулевой трапеции с уплотнителем в сборе (тяги сошки) | 24-3003028 | 2 | |
| 3 | Шарнир наконечника тяги рулевой трапеции с уплотнителем в сборе | 24-3003160 | 4 | |
| 4 | Корпус шарнира рулевой трапеции | 24-3003030 | 6 | |
| 5 | Палец с шаровой головкой | 24-3003032-А | 6 | |
| 6 | Пята опорная пальца | 24-3003068 | 6 | |
| 7 | Пружина опорной пяты | 24-3003069 | 6 | |
| 8 | Заглушка шарнира | 24-3003026 | 6 | |
| 9 | Шплинт 2,7х36 | 258042-П29 | Шплинтует заглушку | 6 |
| 10 | Шплинт 2,7х20 | 258039-П29 | Шплинтует гайку | 6 |
| 11 | Втулка пальца шарнира | 24-303166 | Пластик, под гофрированные уплотнители | 4 |
| 12 | Втулка пальца шарнира | 24-303034 | Металл, под колпачковые уплотнители | 2 |
| 13 | Уплотнитель шарнира тяги с обоймой | 24-3003162 | Гофрированный, для 3110 - 24-3003162-01, для 31105 - 31105-3414162 |
4 |
| 14 | Уплотнитель шарнира рулевой трапеции | 24-3003074 | Колпачковый, для 31105 - 31105-3414074 | 2 |
| 15 | Гайка М12х1,25 | 250977-П29 | 6 | |
| 16 | Сухарь пальца маятникового рычага | 24-3003022 | В составе шарнира маятникового рычага | 1 |
Регулировочные трубки в общем-то не менялись со времен И.В.Сталина (менялась только шайба болта). Единственный нюанс по ним - трубки могут сплющиваться от чрезмерной затяжки (зазор не меньше 1 мм) а хомуты растягиваться. Детали меняются на новые. Болты М8х1, затяжка 1,5-1,8 кгс. Расположение трубки на тяге - болтами вверх.

| № | Название | Номер | Примечание | Кол-во на авт. |
| 1 | Гайка М8х1 | 250511-П29 | 4 | |
| 2 | Шайба 8 | 252270-П29 | Для 31029, 3110, 31105 - 252175-П29 | 4 |
| 3 | Болт М8х1х35 | 201482-П29 | 4 | |
| 4 | Хомут стяжной | 20-3003078-Б | 4 | |
| 5 | Трубка регулировочная | 12-3003039-Б | 2 |
VII. Изображения деталей.
1.
1а.

1б.

1в.

2.
2а.

2б.

2в.

3.
3а.

3б.

4.
4а.

4б.


5.
5а, б.

5в.

5г, 5д.

5е, 5ж.

6.
6а.

6б.

6в.

6г.

7.
7а.

7б.

7в.

7г.


7д.

7е.
