1. 1966-1986. ГАЗ 24 КПП 24-1700010, 24-1700010-01 (4-ст).
2. 1981-1996. ГАЗ-3102 КПП 24-1700010-01, 24-1700010-02 (4-ст).
3. 1986-1992. ГАЗ 24-10 КПП 24-1700010-01 (4-ст).
4. 1992-1997. ГАЗ-31029 КПП 24-1700010-01 (4-ст), 31029-1700010 (5-ст).
5. 1996-2004. ГАЗ-3110 КПП 3110-1700010-10 (4-ст), 3110-1700010, 31104–1700010 (5-ст).
6. 1999-2002. ГАЗ-3111 КПП 3111-1700010 (5-ст).
7. 2007-2008. ГАЗ-31105 КПП 3110-1700010, 31105-1700010, 31105-1700010-10, 31105-1700010-20, 31105-1700010-30, 31105-1700010-50, 31105-1700010-60, 31105-1700010-80 (5-ст).
8. с 2006 г. Коробки как зап.части. КПП 31105-1700010-01, 31105-1700010-02, 31105-1700010-11, 31105-1700010-70, 31105-1700010-90, 31105-1700010-100 (5-ст).
I. Введение.
Как и в случае с рулевыми трапециями, написать эту страничку меня подтолкнула неисправность. Замена комплекта фиксаторов вернула коробку в нормальную работу, однако рассмотрение возможных причин «недовключения» передач и всех «околокоробочных» проблем ГАЗ-31105 подняло массив вопросов, которые я рассматриваю ниже.
Рассмотрены механические КПП "ГАЗ 24", "ГАЗ-3102", "ГАЗ 24-10", "ГАЗ-31029", "ГАЗ-3110", "ГАЗ-3111", "ГАЗ-31105", порядок их улучшений и характерные конструктивные детали. Подгруппы деталей - -1700, -1701, -1702 и -1703. Изменения крепежных и стандартизированных деталей, а также подшипников, в большинстве случаев - не рассмотрены.
Надо отметить, что 4-ст и 5-ст коробки могут быть модернизированы в процессе выпуска, но при этом оставаться под одним и тем-же номером детали. В частности, речь идет о выпускавшейся полтора десятка лет 24-1700010-01, которую ставили на "ГАЗ 24", "ГАЗ-3102", "ГАЗ 24-10" и на "ГАЗ-31029". Та же закономерность наблюдается и для 5-ст КПП 3110-1700010. После серьезной модернизации 2003 г. для постановки обновленной коробки в ГАЗ-31105 номер детали менять не стали.
Цитата: "...Цифровые индексы 01, 02... 09, стоящие после номер детали, например, 24-10-3501010-02, обозначают, что эта деталь взаимозаменяема с первоначальной деталью без индекса и со всеми деталями в пределах диапазона индексов 01 ... 09. Цифровые индексы 20, 21 ... 29 обозначают, что в пределах диапазона 20 ... 29 эти детали взаимозаменяемы между собой, но не взаимозаменяемы с первоначальной деталью без индекса и с деталями с индексами в диапазоне 01 ... 19, 30 ... 39 и т.д."
Таким образом, например, коробка 31105-1700010-11 (Chrysler, старый салон) полностью взаимозаменяема с 31105-1700010-10 (Chrysler, старый салон) и не взаимозаменяема с 31105-1700010-80 (Chrysler, салон "рестайлинг"). Точно так-же взаимозаменяемы коробки 31105-1700010-01 (ЗМЗ) и 31105-1700010-02 (ЗМЗ), но их нельзя без подготовки поставить на место 31105-1700010-20 (ЗМЗ в машинах "рестайлинг").
Подготовка замены на машине одной коробки вместо другой, зачастую, может иметь условный характер. "Сделать" коробку -20 ("рестайлинг") из коробки -50 ("дорестайлинг", тройные синхронизаторы, шлифовка зубьев) можно заменой механизма переключения и выключателя света заднего хода. Однако модернизировать под необходимый формат агрегаты простыми средствами можно далеко не всегда. Установка "тройных" синхронизаторов НО вместо "классических" СО потребует замены нескольких деталей вторичного вала, в том числе шестерен 1-й и 2-й передач. Также переход на роликовые подшипники промежуточного вала потребует или перепрессовки внутренних колец подшипников или замены самого вала, а также иного подхода для регулировки натяга подшипников при сборке коробки. В соответствующих разделах ниже можно будет найти список деталей и данные для регулировок.
Модернизация коробки в каком нибудь годУ "к выпуску" какой-нибудь модели вовсе не означает, что эта модель получит обновленную коробку. Многие ГАЗ-31105 даже в 2005-м комплектовались коробками "от ГАЗ-3110", хотя объемную модернизацию агрегатов провели еще в 2003-м. А коробки "для зап.частей", благодаря широкой унификации, часто комплектовались тем, что было найдено лишнего.
Коробки переключения передач выпускались мощностями ГАЗ. До 1968 года - это "корпус коробок скоростей". В 1968 "корпус" был преобразован в "Завод Коробок Скоростей", сокращенно "ЗКС". В 2003-2006 - ООО "ЗКС". С 2007 - ООО «Нижегородские моторы». Создатель 4-ст и 5-ст КПП - Леопольд Давидович Кальмансон.
1. 1966-1986. ГАЗ 24. КПП 24-1700010, 24-1700010-01.
Spec: 4 ступени.
Ниже следует несколько абзацев с кратким описанием изменений коробки ГАЗ-24. Машина не входит в формат сайта, поэтому по её коробкам кратко.
В начале 1976 г. на коробке 24-1700010 появился удлинитель с эластичной муфтой. Вместо детали 24-1701200 стали устанавливать Удлинитель в сборе 24-1701200-10, в состав которого входит сам Удлинитель 24-1701205-20, Муфта соединительная удлинителя в сборе 24-1701250 и Фланец удлинителя в сборе 24-1701258.
Модернизация коробки была описана в журнале "За рулём", №12 за 1979 год. "Вибрации и карданная передача" (Линк на оригинал). Причины изменений - шумность а также разрушение двигателя/КПП автомобиля. Проблемы вызывались резонансом двигателя/КПП на 3800—4200 об/мин карданного/коленчатого валов при их несбалансированности. Результат после установки муфты - цитата: ... почти вчетверо сократился уровень вибрации силового агрегата, а шум снизился до едва заметного. Поломки двигателя и коробки передач прекратились, поскольку резонанс переместился в зону более низких оборотов ... .
В Каталогах деталей автомобиля ГАЗ-24 коробка передач с муфтой на удлинителе отсутствовала.

Дальнейшие изменения:
Цитата "За рулем": "С целью сделать более надежной (в тексте "надежный") коробку передач с августа 1977 года (шасси № 449343) изменены ее вторичный вал, комплект шестерни первой передачи и сама шестерня первой передачи. Новые детали имеют номера соответственно 24-1701105-21, 24-1701106-01 и 24-1701108-01."
Цитата "За рулем": "С февраля 1978 года с шасси № 488818 шестерни второй и третьей передач делают без бронзовых втулок и более высокого качества. Взаимозаменяемость сохранена и по отдельности и в комплектах. Номера новых деталей: 24-1701114-01 (старая 24-1701113) и 24-1701127-01 (24-1701126)."
В октябре 1980 года появилось сообщение о появлении новой коробки ГАЗ-24 - 24-1700010-01. К этому времени (с начала 1980 года) на ГАЗ-3102 предполагалась установка коробки 24-1700010-02 (подробности см. ниже по тексту).
Цитата "За рулем": "С шасси № 577389 автомобили снабжаются измененной коробкой передач (рис. 4). Номер нового узла - 24-1700010-01. В сборе он взаимозаменяем с прежней коробкой (24-1700010).

2. 1981-1996. ГАЗ-3102. КПП 24-1700010-01, 24-1700010-02.
Spec: 4 ступени.
В каталоге деталей 1980-1981 г. с припиской "по состоянию действующей технической документации на 01 января 1980 г.", и в каталоге деталей 1982 г. с припиской "по состоянию действующей технической документации на 01 января 1981 г." автомобиль ГАЗ-3102 оборудовался коробкой 24-1700010-02
.Примем 24-1700010-02 для ГАЗ-3102 за номинальный образец 4-ст коробки. Ниже - изображения, номера деталей и наименование деталей этой коробки.
Группа деталей "Коробка передач."

| Рисунок "Коробка передач". | |||
| # поз | # детали | Наименование | Кол-во |
| 1 | 24-1701170 | Пружина синхронизатора 3-й и 4-й передач | 2 |
| 2 | 24-1701171 | Сухарь синхронизатора | 3 |
| 3 | 24-1701158 | Шайба упорная шестерни 3-й передачи | 1 |
| 4 | 258611-П18 | Штифт 4С3x10 | 1 |
| 5 | 24-1701224 | Пружина штифта | 1 |
| 6 | 24-1701105-10 | Вал вторичный | 1 |
| 7 | БУ6,35мм П | Шарик (508605) | 1 |
| 8 | 24-1701143 (24-1701144) | Шайба упорная шестерни 1-й передачи (подбор) | 1 |
| 9 | 24-1701178 | Пружина синхронизатора 1-й и 2-й передач | 2 |
| 10 | 24-1701139 | Шайба упорная шестерни 2-й передачи | 1 |
| 11 | 24-1701146 | Шайба упорная задняя шестерни 1-й передачи | 1 |
| 12 | 6-50706У | Подшипник (24-1701033) | 1 |
| 13 | 24-3802033 | Шестерня спидометра ведущая | 1 |
| 14 | 2101-1701142 | Шайба пружинная вторичного вала | 1 |
| 15 | 2101-1701037 | Кольцо стопорное подшипника вторичного вала | 1 |
| 16 | 24-1701192-10 | Кольцо стопорное | 1 |
| 17 | 24-1701106-01 | Шестерня 1-й передачи с блокирующим кольцом синхронизатора | 1 |
| 18 | 24-1701108-01 | Шестерня 1-й передачи в сборе | 1 |
| 19 | 24-1701179-01 | Кольцо блокирующее синхронизатора 1-й и 2-й передач | 2 |
| 20 | 24-1701174 | Муфта синхронизатора 1-й и 2-й передач со ступицей (комплект) | 1 |
| 21 | 24-1701177 | Ступица муфты синхронизатора 1-й и 2-й передач | 1 |
| 22 | 24-1701175 | Муфта синхронизатора 1-й и 2-й передач | 1 |
| 23 | 24-1701122-01 | Шестерня 2-й передачи с блокирующим кольцом синхронизатора в сборе | 1 |
| 24 | 24-1701127-01 | Шестерня 2-й передачи | 1 |
| 25 | 24-1701128-01 | Шестерня 3-й передачи с блокирующим кольцом синхронизатора в сборе | 1 |
| 26 | 24-1701114-01 | Шестерня 3-й передачи | 1 |
| 27 | 24-1701164-01 | Кольцо блокирующее синхронизатора 3-й и 4-й передач | 2 |
| 28 | 24-1701116 | Муфта синхронизатора 3-й и 4-й передач со ступицей (комлект) | 1 |
| 29 | 24-1701119 | Ступица муфты синхронизатора 3-й и 4-й передач | 1 |
| 30 | 24-1701118 | Муфта синхронизатора 3-й и 4-й передач | 1 |
| 31 | 20-1701159 | Кольцо стопорное (подбор) | 1 |
| 32 | 24-1701025-10 | Вал первичный в сборе | 1 |
| 33 | 2101-1701035 | Кольцо пружинное | 1 |
| 34 | 24-1701034 | Кольцо установочное | 1 |
| 35 | 24-1701035 | Маслотражатель | 1 |
| 36 | 24-1701022-10 | Вал первичный с блокирующим кольцом синхронизатора в сборе | 1 |
| 37 | 24-1701030-10 | Вал первичный | 1 |
| 38 | 5,5х15,8 | Ролик (20-1701182) | 14 |
| 39 | 24-1701080 | Шестерня заднего хода в сборе | 1 |
| 40 | 24-1701090 | Ось шестерни | 1 |
| 41 | 24-1701062 | Шайба упорная передняя | 1 |
| 42 | 3,5х29,8 III | Ролик | 63 |
| 43 | 24-1701060 | Ось блока шестерен | 1 |
| 44 | 24-1701050 | Блок шестерен | 1 |
| 45 | 24-1701063 | Шайба упорная задняя | 1 |
Группа деталей "Картер и удлинитель со вторичным валом коробки передач."

| Рисунок "Картер и удлинитель со вторичным валом коробки передач". | |||
| # поз | # детали | Наименование | Кол-во |
| 1 | 201548-П8 | Болт М8х25 | 4 |
| 2 | 252135-П29 | Шайба 8 | 4 |
| 3 | 24-1701018 | Прокладка передняя картера | 1 |
| 4 | 24-1701040-11 | Крышка подшипника | 1 |
| 5 | 11-7051-Б | Прокладка | 1 |
| 6 | 24-1701015-20 | Картер | 1 |
| 7 | 296576-П29 | Пробка КГ 1/2" | 2 |
| 8 | 291782-П2 | Шпилька М10х1х24 | 2 |
| 9 | 24-1701198-01 | Удлинитель со вторичным валом в сборе | 1 |
| 10 | 24-1701100-10 | Вал вторичный в сборе | 1 |
| 11 | 24-1701200-10 | Удлинитель в сборе | 1 |
| 12 | 298429-П | Сапун в сборе | 1 |
| 13 | 24-1701205-20 | Удлинитель | 1 |
| 14 | 250510-П29 | Гайка М8 | 8 |
| 15 | 252155-П29 | Шайба 8 | 8 |
| 16 | 24-1701250 | Муфта соединительная удлинителя в сборе | 1 |
| 17 | 24-1701258 | Фланец удлинителя в сборе | 1 |
| 18 | 24-1701210 | Сальник в сборе | 2 |
| 19 | 250513-П8 | Гайка М10х1 | 4 |
| 20 | 252156-П29 | Шайба 10 | 4 |
| 21 | 24-3802034 | Шестерня привода спидометра - ведомая | 1 |
| 22 | 21А-3802031 | Стопор штуцера | 1 |
| 23 | 206461-П8 | Болт М6х14 | 1 |
| 24 | 21А-3802030 | Штуцер гибкого вала привода спидометра | 1 |
| 25 | 24-1701203 | Прокладка | 1 |
| 26 | 291771-П2 | Шпилька М10х1х38 | 2 |
| 27 | 295071-П | Штифт 8х30 | 1 |
| 28 | 250507-П8 | Гайка М12х1,25 | 6 |
| 29 | 252157-П8 | Шайба 12 | 6 |
| 30 | 291847-П8 | Шпилька М12х1,25х32 | 4 |
| 31 | 216281-П8 | Шпилька М12х1,25х32 | 2 |
Группа деталей "Механизм переключения передач."

| Рисунок "Механизм переключения передач". | |||
| # поз | # детали | Наименование | Кол-во |
| 1 | 24-1702014 | Прокладка механизма | 1 |
| 2 | 24-1702015 | Крышка коробки передач | 1 |
| 3 | 24-3724093 | Скоба на коробке скоростей | 1 |
| 4 | 252270-П29 | Шайба 8 | 6 |
| 5 | 201458-П8 | Болт М8х25 | 6 |
| 6 | 24-1702150 | Втулка запорная | 1 |
| 7 | 24-1702148 | Подушка | 2 |
| 8 | 24-1702146 | Втулка распорная | 1 |
| 9 | 24-1702144-01 | Конус упорный рычага | 1 |
| 10 | 24-1702159-10 | Рукоятка рычага переключения передач в сборе | 1 |
| 11 | 24-1702142 | Рычаг переключения передач - верхняя часть | 1 |
| 12 | 24-1702128 | Уплотнитель крышки | 1 |
| 13 | 24-1702126 | Колпак | 1 |
| 14 | 11-7207 | Прокладка колпака | 1 |
| 15 | 24-1702124 | Седло пружины | 1 |
| 16 | 24-1702122 | Пружина рычага | 1 |
| 17 | 24-1702140 | Рычаг переключения передач - нижняя часть | 1 |
| 18 | 24-1702106 | Пружина | 3 |
| 19 | БУ7,938 мм П | Шарик (508607-П) | 3 |
| 20 | 24-1702075 | Стопорный палец штока включения 3-й и 4-й передач | 1 |
| 21 | 252177-П29 | Шайба 12 | 3 |
| 22 | 296472-П8 | Пробка М12х1,25 | 3 |
| 23 | 295033-П | Штифт 6x14 установочный | 2 |
| 24 | 52-1702097 | Предохранитель включения 1-й и 2-й передачи заднего хода | 2 |
| 25 | 24-1702100 | Пружина предохранителя 1-й и 2-й передач | 1 |
| 26 | 260307-П | Заглушка 20 | 2 |
| 27 | 260305-П | Заглушка 16 | 3 |
| 28 | 24-1702040-11 | Шток включения 1-й и 2-й передач | 1 |
| 29 | 24-1702041-11 | Шток включения 3-й и 4-й передач | 1 |
| 30 | 24-1702042-10 | Шток включения заднего хода | 1 |
| 31 | 24-1702080 | Плунжер стопорный штоков включения передач | 2 |
| 32 | 24-1702134 | Прокладка поддона | 1 |
| 33 | 24-1702054-10 | Головка штока включения 1-й и 2-й передач | 1 |
| 34 | 24-1702052-10 | Головка штока включения 3-й и 4-й передач | 1 |
| 35 | 252134-П2 | Шайба 6 | 6 |
| 36 | 290517-П8 | Болт М6х20 крепления вилок и головок | 6 |
| 37 | 24-1702133-10 | Поддон крышки | 1 |
| 38 | 252154-П2 | Шайба 6 | 6 |
| 39 | 224624-П8 | Винт М6х14 | 6 |
| 40 | 24-1702098 | Пружина предохранителя заднего хода | 1 |
| 41 | 24-1702095-10 | Головка штока включения заднего хода | 1 |
| 42 | 21П-3716078-Б | Прокладка | 1 |
| 43 | ВК403-Т | Выключатель света | 1 |
| 44 | 24-1702024-10 | Вилка включения 1-й и 2-й передач | 1 |
| 45 | 24-1702092-10 | Вилка включения заднего хода | 1 |
| 46 | 24-1702102 | Рычаг заднего хода в сборе | 1 |
| 47 | 24-1702104 | Сухарь рычага | 1 |
| 48 | 21П-3716083 | Чехол защитный | 1 |
| 49 | 24-1702030-10 | Вилка включения 3-й и 4-й передач | 1 |
| 24-1702010-01 | Механизм переключения передач в сборе | 1 | |
| 24-1702005 | Комплект деталей рычага переключения передач (для запчастей) | 1 | |
Дальнейшие изменения:
В каталоге деталей 1985 г. с припиской "на основе действующей технической документации" указана коробка со старым номером - 24-1700010-01. Не смотря на это, для "старой" коробки появились "новые" относительно 24-1700010-02 детали:
- 24-1701177-10 (старая 24-1701177) Ступица муфты синхронизатора 1-й и 2-й передач;
- 24-1701179-02 (старая 24-1701179-01) Кольцо блокирующее синхронизатора 1-й и 2-й передач;
- 24-1701127-02 (старая 24-1701127-01) Шестерня 2-й передачи;
- 24-1701119-10 (старая 24-1701119) Ступица муфты синхронизатора 3-й и 4-й передач;
- 24-1701164-02 (старая 24-1701164-01) Кольцо блокирующее синхронизатора 3-й и 4-й передач;
- 24-1701114-02 (старая 24-1701114-01) Шестерня 3-й передачи;
- 2103-1703088-10 (старая 24-1702159-10) Рукоятка рычага переключения передач в сборе.
Вернулись некоторые "старые" детали вместо "новых":
- 24-1701015-10 (старая 24-1701015-20). Картер. Указан картер от коробки "ГАЗ-24";
- 24-1701025 (старая 24-1701025-10). Вал первичный в сборе. Отличие валов: на 24-1701025-10 есть кольцо пружинное 2101-1701035, которого не было на 24-1701025. Тем не менее кольцо присутствует на рисунке выше для "новой коробки ГАЗ-24 - 24-1700010-01".
Исчезла шайба упорная шестерни 3-й передачи 24-1701158.
Новые шестерни и кольца блокирующие синхронизатора взаимозаменяемы со старыми. В каталогах ГАЗ 24-10 эти детали с индексом "-02" - штатные, с индексом "-01" - детали из запасных частей. Новые ступицы, скорее всего, тоже взаимозаменяемы, но для них номера деталей из запасных частей оканчиваются на "-11".
В каталоге деталей ГАЗ 24-10 1988 г. появилась грушевидная рукоятка рычага переключения передач 3102-1702159 вместо прежнего ВАЗовского 2103-1703088-10 и ГАЗовского 24-1702159-10 шаров.
Последние упоминания о заводской установке 4-ст КПП на ГАЗ-3102 относятся к 2000 году.
3. 1986-1992. ГАЗ 24-10. КПП 24-1700010-01.
Spec: 4 ступени.
Та же КПП 24-1700010-01 устанавливалась на ГАЗ 24-10 на протяжении всего выпуска модификации. Снова одинаковые номера коробок 24-1700010-01, как и в случае коробки ГАЗ-3102, не означает что коробки идентичны. Для коробок "под ГАЗ 24-10" вернули "старый" удлинитель без муфты 24-1701200.
Сложно сказать чем был вызван этот шаг - экономией или здравым смыслом. Охотно верю, что ЗМЗ научился балансировать коленчатый вал с маховиком и сцеплением. В то же время муфта иногда разрушалась, после чего коробка оставалась без масла.
Коробки в каталогах деталей ГАЗ 24-10 1988 г. и 1991 г. не различаются ни одной деталью. В каталоге 1991 г шестерни названы "зубчатыми колесами". Приведу замеченные отличия от той-же КПП 24-1700010-01, но для ГАЗ-3102:
- 24-1701035-01 (старая 24-1701035) Маслоотражатель;
- 24-1701108-02 (старая 24-1701108-01, она же "для запасных частей") Шестерня 1-й передачи;
- 24-1701200 (старая 24-1701200-10) Удлинитель в сборе.
Грушевидная рукоятка рычага переключения передач 3102-1702159 предназначалась ГАЗ 24-10, шаровидная 24-1702159-10 - ГАЗ 24-11. К слову, единственный автомобиль в классе, которому был присвоен "Знак качества" - ГАЗ 24-11 такси.

4. 1992-1997. ГАЗ-31029. КПП 24-1700010-01 (4-ст), 31029-1700010 (5-ст).
Spec: 4 ступени.
4-ст КПП устанавливалась на автомобили с двигателем ЗМЗ-402 и ЗМЗ-4021.
Отмечу появившуюся на коробке ГАЗ-31029 деталь 24-10-3802029 - Штуцер гибкого вала привода спидометра в сборе. В состав детали входят новые компоненты - 14-3802032 Втулка, 14-3802036 Кольцо уплотнительное и обновленная 24-10-3802030 Штуцер (старая 21А-3802030). В более ранних каталогах указана единая деталь - 21А-3802030 Штуцер гибкого вала привода спидометра. Тот же новый штуцер устанавливался на новую коробку 5-ст, предназначенную для ГАЗ-31029.

Приведу перечень изменений 4-ст коробки для ГАЗ-31029 относительно коробки для ГАЗ 24-10.
- 24-1701018-01 (старая 24-1701018) Прокладка передняя (картера);
- 24-1701030 (старая 24-1701030-01) Вал первичный (устанавливался последний раз еще на ГАЗ 24);
- 24-1701108-01 (старая 24-1701108-02) Шестерня 1-й передачи;
- 24-1701175-10 (старая 24-1701175) Муфта синхронизатора 1-й и 2-й передач;
- 24-1701177-11 (старая 24-1701177-10) Ступица муфты синхронизатора 1-й и 2-й передач;
- 24-1701171-10 (старая 24-1701171) Сухарь синхронизатора;
- 24-1701179-01 (старая 24-1701179-02) Кольцо блокирующее синхронизатора 1-й и 2-й передач;
- 24-1701127-01 (старая 24-1701127-02) Шестерня 2-й передачи;
- 24-1701118-10 (старая 24-1701118) Муфта синхронизатора 3-й и 4-й передач;
- 24-1701119-11 (старая 24-1701119-10) Ступица муфты синхронизатора 3-й и 4-й передач;
- 24-1701164-01 (старая 24-1701164-02) Кольцо блокирующее синхронизатора 3-й и 4-й передач;
- 24-1701114-01 (старая 24-1701114-02) Шестерня 3-й передачи;
- 24-10-3802030 (старая 21А-3802030) Штуцер (гибкого вала привода спидометра).
Spec: 5 ступеней.
5-ст КПП устанавливалась на автомобили с двигателями ЗМЗ-402 и ЗМЗ-406.
Чертежи 5-ст коробки "УКЭР" (Управление Конструкторских и Экспериментальных Работ) выдал "ЗКС" в марте 1990 года. В рамках идеологии с названием "конкуренция" уже в ноябре 1990 года собрали первую КПП для ГАЗ-31029. Под выпуск приспособили старое оборудование, была изготовлена только новая оснастка. В обычном режиме внедрение такого объема занимало около трех лет.

Появился новый для ГАЗ Цех порошковой металлургии, вошедший в "ЗКС". Получатель деталей - та же новая 5-ст КПП.
Примем 31029-1700010 для ГАЗ-31029 за номинальный образец 5-ст коробки. Ниже - изображения, номера деталей и наименование деталей этой коробки.
Группа деталей "Коробка передач."

| Рисунок "Коробка передач". | |||
| # поз | # детали | Наименование | Кол-во |
| 1 | 31029-1701117 | Кольцо стопорное | 1 |
| 2 | 31029-1701119 | Ступица муфты синхронизатора 3-й и 4-й передач | 1 |
| 3 | 31029-1701175 | Муфта синхронизатора 1-й, 2-й, 3-й, 4-й, 5-й передач и заднего хода | 3 |
| 4 | 31029-1701179 | Кольцо блокирующее синхронизаторов | 6 |
| 5 | 664707e | Подшипник | 3 |
| 6 | 31029-1701128 | Шестерня 3-й передачи вторичного вала в сборе | 1 |
| 7 | 31029-1701183 | Кольцо ступорное полуколец вторичного вала | 1 |
| 8 | - | Шарик Б6,35 - 60 | 1 |
| 9 | 31029-1701022 | Вал первичный в сборе | 1 |
| 10 | 31029-1701122 | Шестерня 2-й передачи вторичного вала в сборе | 1 |
| 11 | - | Кольцо стопорное В35 | 1 |
| 12 | 31029-1701037 | Шайба пружинная | 1 |
| 13 | 31029-1701177 | Ступица муфты синхронизатора 1-й, 2-й, 5-й передач и заднего хода | 2 |
| 14 | В6-50307АКШ | Подшипник первичного вала | 1 |
| 15 | 31029-1701171 | Сухарь синхронизатора 1-й, 2-й, 3-й, 4-й, 5-й передач и заднего хода | 9 |
| 16 | - | Ролик 5,5x15,8 ДIII(20 - 1701182) | 14 |
| 17 | 31029-1701106 | Шестерня 1-й передачи вторичного вала в сборе | 1 |
| 18 | 31029-1701105 | Вал вторичный | 1 |
| 19 | 31029-1701140 | Шестерная заднего хода в сборе | 1 |
| 20 | 258611-П18 | Штифт 4x10 | 1 |
| 21 | 24-1701146 | Шайба упорная | 1 |
| 22 | 6-50706УШ1 | Подшипник вторичного вала | 1 |
| 23 | 24-3802033 | Шестерня привода спидометра | 1 |
| 24 | 2101-1701142 | Шайба пружинная | 1 |
| 25 | 24-1701036 | Кольцо стопорное | 1 |
| 26 | 31029-1701152 | Шестерня 5-й передачи вторичного вала в сборе | 1 |
| 27 | 31029-1701188 | Втулка распорная | 1 |
| 28 | 3105-1701034 | Кольцо стопорное | 1 |
| 29 | 3105-1701170 | Пружина синхронизатора 1-й, 2-й, 3-й, 4-й, 5-й передач и заднего хода | 6 |
| 30 | 3КК 42Х47Х30Е | Подшипник | 2 |
| 31 | 3105-1701159 | Кольцо стопорное | 1 |
| 32 | 31029-1701048 | Вал промежуточный | 1 |
| 33 | 31029-1701184 | Полукольцо упорное вторичного вала | 2 |
| 34 | 31029-1701115 | Шайба пружинная | 1 |
| 35 | 31029-1701075 | Прокладка регулировочная промежуточного вала (наибольшее кол-во) | 3 |
| 36 | В6-50305А1Е | Подшипник промежуточного вала | 2 |
| 37 | 3105-1729062 | Штифт 4x30 | 1 |
| 38 | 31029-1701096 | Втулка оси | 1 |
| 39 | 31029-1701082 | Колесо зубчатое промежуточное заднего хода | 1 |
| 40 | - | Ролик 3x23,8 А3 | 21 |
| 41 | 31029-1701090 | Ось промежуточного зубчатого колеса | 1 |
Группа деталей "Картер и удлинитель со вторичным валом коробки передач."

| Рисунок "Картер и удлинитель со вторичным валом коробки передач". | |||
| # поз | # детали | Наименование | Кол-во |
| 1 | 201458-П29 | Болт М8 - 6gx25 | 3 |
| 2 | 252135-П2 | Шайба 8Т | 3 |
| 3 | 31029-1701040 | Крышка подшипника первичного вала | 1 |
| 4 | 20-1701034 | Кольцо стопорное | 1 |
| 5 | 31029-1701043 | Манжета | 1 |
| 6 | 31029-1701042 | Прокладка | 1 |
| 7 | 298429-П | Сапун в сборе | 1 |
| 8 | ВК418-Т или ВК418А-Т | Выключатель света заднего хода | 1 |
| 9 | 21П-3716078-Б | Прокладка | 1 |
| 10 | 31029-1701014 | Картер коробки передач передний | 1 |
| 11 | 3105-1701029 | Штифт центровочный | 2 |
| 12 | 296576-П29 | Пробка КГ 1/2" | 2 |
| 13 | 24-1701192-10 | Кольцо стопорное | 1 |
| 14 | 31029-1701021 | Прокладка | 1 |
| 15 | 252175-П29 | Шайба 8 | 10 |
| 16 | 200263-П29 | Болт М8 - 6gx35 | 2 |
| 17 | 31029-1701010 | картер коробки передач задний в сборе | 1 |
| 18 | 201460-П29 | Болт М8 - 6gх30 | 8 |
| 19 | 24-3802034 | Колесо зубчатое привода спидометра ведомое | 1 |
| 20 | 21А-3802031 | Стопор штуцера | 1 |
| 21 | 24-1701210 | Манжета в сборе | 2 |
| 22 | 206461-П8 | Болт М6 - 6gx14 | 1 |
| 23 | 24-10-3802029 | Штуцер гибкого вала привода спидометра в сборе | 1 |
| 24 | 24-10-3802030 | Штуцер гибкого вала привода спидометра | 1 |
| 25 | 14-3802036 | Кольцо уплотнительное | 1 |
| 26 | 14-3802032 | Втулка штуцера | 1 |
| 27 | - | Болт М10x6gx35 | 2 |
| 28 | 31029-1701098 | Пробка магнитная | 1 |
| 29 | 31029-1700010 | Коробка передач в сборе | 1 |
| 30 | 250515-П29 | Гайка М12x1,25 - 6H | 4 |
| 31 | 252157-П2 | Шайба 12Л | 4 |
| 32 | 291849-П2 | Шпилька М12x1,25 - СП1x35 | 4 |
Группа деталей "Механизм переключения передач."

| Рисунок "Механизм переключения передач". | |||
| # поз | # детали | Наименование | Кол-во |
| 1 | 260305-П | Заглушка 16 | 3 |
| 2 | 31029-1702024 | Вилка переключения 1-й, 2-й, 3-й, 4-й передач | 2 |
| 3 | 252134-П2 | Шайба 6Т | 5 |
| 4 | 290517-П8 | Болт М6-6gx20 | 5 |
| 5 | 31029-1702092 | Вилка переключения 5-й передачи и заднего хода | 1 |
| 6 | 31029-1702085 | Прокладка | 1 |
| 7 | 21-2905661 | Пружина | 3 |
| 8 | - | Шарик Б7,938 - 40 | 3 |
| 9 | 252155-П29 | Шайба 8Л | 2 |
| 10 | 201454-П29 | Болт М8 - 6gx16 | 2 |
| 11 | 31029-1702084 | Пластина | 1 |
| 12 | 31029-1702140 | Рычаг переключения передач нижняя часть | 1 |
| 13 | 24-1702122 | Пружина рачага переключения передач | 1 |
| 14 | 24-1702124 | Седло пружины рычага переключения передач | 1 |
| 15 | 11-7207 | Прокладка | 1 |
| 16 | 24-1702126 | Колпак корпуса рычага | 1 |
| 17 | 24-1702128 | Уплотнитель | 1 |
| 18 | 24-1702150 | Втулка запорная | 1 |
| 19 | 24-1702148 | Подушка | 2 |
| 20 | 31029-1702159 | Рукоятка рычага переключения передач в сборе | 1 |
| 21 | 24-1702146 | Втулка распорная | 1 |
| 22 | 24-1702142 | Рычаг переключения передач верхняя часть | 1 |
| 23 | 24-1702144-01 | Конус упорный рычага | 1 |
| 24 | 295033-П | Штифт 6x14 установочный | 2 |
| 25 | 52-1702097 | Предохранитель включения передач | 2 |
| 26 | 260307-П | Заглушка 20 | 2 |
| 27 | 24-1702100 | Пружина предохранителя | 2 |
| 28 | 31029-1702244 | Корпус рычага переключения передач | 1 |
| 29 | 258948-П29 | Штифт 5x25 | 1 |
| 30 | 201458-П29 | Болт М8 - 61x25 | 4 |
| 31 | 252175-П29 | Шайба 8 | 4 |
| 32 | 31029-1702246 | Прокладка | 1 |
| 33 | 31029-1702314 | Пружина блокировочной втулки | 1 |
| 34 | 31029-1702310 | Втулка блокировочная | 1 |
| 35 | 31029-1702040 | Шток включения 1-й и 2-й передач | 1 |
| 36 | 31029-1702041 | Шток включения 3-й и 4-й передач | 1 |
| 37 | 31029-1702042 | Шток включения 5-й передачи и заднего хода | 1 |
| 38 | 31029-1702054 | Головка штока включения 1-й, 2-й, 5-й передач и заднего хода | 2 |
| 39 | 31029-1702080 | Плунжер стопорный штоков | 2 |
| 40 | 31029-1702075 | Стопорный палец штоков | 1 |
| 41 | 296906-П | Заглушка 9 | 1 |
Рукоятка рычага переключения передач 31029-1702159 для коробки 5-ст отличается от аналогичной детали 3102-1702159 для коробки 4-ст изображением измененной схемы переключения передач.

5. 1996-2004. ГАЗ-3110. КПП 3110-1700010-10 (4-ст), 3110-1700010, 31104–1700010 (5-ст).
Spec: 4 ступени. 3110-1700010-10.
4-ст КПП 3110-1700010-10 устанавливалась на автомобили с двигателями ЗМЗ-402 (комплектация -341) и ЗМЗ-4021 (комплектация -441).
Основное отличие между 4-ст коробками 31029 и 3110 - переход на электронную панель приборов. Как это выглядит:
- Вторичный вал 3110-1701100-10 (старая 24-1701100) в составе Удлинитель КПП с вторичным валом в сборе 3110-1701198 (старая 24-1701198) стал включать новую Шестерню привода спидометра ведущую 3110-3802033 (старая 24-3802033). Новая деталь 3110-3802033 отличается от старой 24-3802033 количеством зубьев - на новой 10, на старой 6. Маркировка на новой "3110", на старой - "24".

- Ведущая шестерня приводит Ведомую шестерню привода спидометра. Новая деталь 3110-3802034 отличается от старой 24-3802034 количеством зубьев - на новой 20, на старой 19.

- Ведомая шестерня вращается внутри Штуцера привода спидометра, на который в новом варианте коробки крепится Датчик Скорости (ДС), в старом - гибкий вал привода спидометра. Новый штуцер 3302-3802030 (старая 24-10-3802030) входит в состав Штуцер привода спидометра в сборе 3302-3802029 (старая 24-10-3802029, ранее называлась Штуцер гибкого вала привода спидометра в сборе). Новая деталь 3302-3802029 отличается от старой 24-10-3802029 присоединительной резьбой - на новой М18х1,5, на старой М22х1,5.

Оставшиеся различия между 4-ст коробками ГАЗ-31029 и ГАЗ-3110 имеют взаимозаменяемый характер. В основном "вернулись" старые детали с КПП первосерийной ГАЗ-3102.
- 24-1701164-02 (старая 24-1701164-01) Кольцо блокирующее синхронизатора 3-й и 4-й передач (входит в Вал первичный 24-1701030-01);
- 24-1701030-01 (старая 24-1701030) Вал первичный;
- 24-1701119-10 (старая 24-1701119-11) Ступица муфты синхронизатора 3-й и 4-й передач (вместе с Муфта синхронизатора 3-й и 4-й передач 24-1701118-10 входит в состав Муфта синхронизатора со ступицей 3-й и 4-й передач 24-1701116-10);
- 24-1701164-02 (старая 24-1701164-01) Кольцо блокирующее синхронизатора 3-й и 4-й передач (вместе с Шестерня 3-й передачи 24-1701114-02 входит в состав Шестерня 3-й передачи с кольцом синхронизатора 24-1701128-01);
- 24-1701114-02 (старая 24-1701114-01) Шестерня 3-й передачи;
- 24-1701179-02 (старая 24-1701179-01) Кольцо блокирующее синхронизатора 1-й и 2-й передач (вместе с Шестерня 2-й передачи 24-1701127-02 входит в состав Шестерня 2-й передачи с кольцом синхронизатора 24-1701122-01);
- 24-1701127-02 (старая 24-1701127-01) Шестерня 2-й передачи;
- 24-1701177-10 (старая 24-1701177-11) Ступица муфты синхронизатора 1-й и 2-й передач (вместе с Муфта синхронизатора 1-й и 2-й передач 24-1701175-10 входит в состав Муфта синхронизатора со ступицей 1-й и 2-й передач 24-1701174-10);
- 24-1701179-02 (старая 24-1701179-01) Кольцо блокирующее синхронизатора 1-й и 2-й передач;
- 24-1701108-04 (старая 24-1701108-01) Шестерня 1-й передачи;
Выпускается несколько рем.комплектов для 4-ст коробок передач. Все касаются механизма переключения.
3110-1702800 рычаг КПП в сборе:
- 24-1702122 пружина рычага - 1 шт;
- 24-1702124 седло пружины - 1 шт;
- 24-1702126 колпак рычага - 1 шт;
- 24-1702128 уплотнитель - 1 шт;
- 24-1702140 рычаг КПП - нижняя часть - 1 шт;
- 24-1702142 рычаг КПП - верхняя часть - 1 шт;
- 24-1702144-01 конус упорный - 1 шт;
- 24-1702146 втулка распорная - 1 шт;
- 24-1702148 подушка рычага - 2 шт;
- 24-1702150 втулка запорная - 1 шт.
3102-1702621 ремонтный комплект рычага КПП - то же что 3110-1702800, только без 24-1702142 рычаг КПП - верхняя часть.
3102-1702623 ремонтный комплект рычага КПП - то же что 3102-1702621, только без 24-1702126 колпак рычага.
Spec: 5 ступеней. 3110-1700010.
5-ст КПП 3110-1700010 устанавливалась на автомобили с двигателями ЗМЗ-402 (комплектации -311, -331), ЗМЗ-4021 (комплектация -411) и ЗМЗ-406 (комплектации -101, -111).
Коробки маркировались как "3110" вертикальными цифрами, набитыми на левый передний торец переднего картера коробки. Чтобы коробки "31029" маркировались подобным способом - я не видел.

В связи с установкой на коробку ДС, был изменен Вторичный вал 33027-1701105 (старая 31029-1701105). Он стал включать новую Шестерню привода спидометра ведущую 3110-3802033 (старая 24-3802033). Заменили Шестерню ведомую на 3110-3802034 (старая 24-3802034) и Штуцер привода спидометра в сборе 3302-3802029 (старая 24-10-3802029). Новые шестерни и штуцер привода спидометра те-же, что и на 4-ст коробке 3110-1700010-10.
Различия между 5-ст коробками ГАЗ-31029 и ГАЗ-3110 (чем отличаются не взаимозаменяемые новые и старые шестерни и валы - не выяснил):
- 31029-1701022-10 (старая 31029-1701022) Вал первичный (входит в состав Вал первичный с подшипником 31029-1701025-10);
- 31029-1701152-10 (старая 31029-1701152) Шестерня 5-й передачи в сборе;
- 31029-1701048-20 (старая 31029-1701048) Вал промежуточный (входит в состав Вал промежуточный с подшипником 31029-1701046-20);
- 31029-1701014-01 (старая 31029-1701014) Картер коробки передач передний;
- 31029-1701010-01 (старая 31029-1701010) Картер коробки передач задний в сборе;
- 24-1701210-07 (старая 24-1701210) Манжета в сборе;
Spec: 5 ступеней. 31104-1700010.
5-ст КПП 31104-1700010 устанавливалась на автомобили с двигателем ГАЗ-560 (комплектация -600) и ГАЗ-5601 (комплектация -601).
Всё, что удалось узнать про КПП дизельных ГАЗ-3110 описано в статье журнала "За рулём", №01 за 2002 год. "Федот, да не тот" (Линк на оригинал).
Цитата: И последняя коробка — 31104–1700010 предназначена для дизельной «Волги». Передаточное число ее главной передачи — 3,58. Соответственно поменялась ведомая шестерня привода спидометра. У нее 18 зубьев. Маркировка 31104 нанесена на торце со стороны шестерни. Штуцер М18х1,5 для крепления датчика. ... По присоединительным размерам все агрегаты (5-ст коробки Волга и Газель), кроме «дизельного», одинаковы. ... Следующая модель — 330242–1700010 агрегатируется с дизельным двигателем. Ее первичный вал длиннее «газелевского» на 48 мм. Удлинена (на 54 мм) и крышка подшипника первичного вала. .
6. 1999-2002. ГАЗ-3111. КПП 3111-1700010 (5-ст).
Spec: 5 ступеней. 3111-1700010.
На ГАЗ-3111 устанавливались несколько отечественных двигателей. Помимо "стандартных" бензиновых P4 ЗМЗ-405/ЗМЗ-406 автомобиль экспериментально оборудовался дизельным P4 ГАЗ-5601 (возможно 1 машина) и бензиновыми V8 (до полудесятка машин). Точно модель двигателей V8 не нашел. Упоминаются "карбюраторные" ГАЗ-321 и "инжекторные" ГАЗ-332. В рамки рассматриваемого вопроса попадают коробки от условно стандартных бензиновых P4.
Такие коробки представляют собой почти те-же 5-ст агрегаты, предназначенные для ГАЗ-3110, но с измененным механизмом управления коробкой. В основе механизма лежит горизонтальная тяга, что позволило по иному расположить рычаг переключения передач. Компоновка салона ГАЗ-3111 отличается от компоновки салона ГАЗ-3110. На том-же принципе, за счет установки измененного механизма управления коробкой, на рестайлинговой ГАЗ-31105 рычаг переключения "переехал" ближе к водителю. Механизм управления от рестайлинга ГАЗ-31105 (31105-1703010) может быть установлен взамен механизма управления от ГАЗ-3111 (3111-1703008, 3111-1703008-10) на КПП 3111-1700010.

Был изменен Картер коробки передач задний в сборе 330243-1701010, старая 31029-1701010-01. Отличие задних картеров (для ГАЗ-31105): 31029-1701010-01 - прилива для крепления кронштейна приемных труб справа нет, кронштейн крепится к переднему картеру (ЗМЗ-406), 330243-1701010 - прилив для крепления кронштейна приемных труб справа есть (ЗМЗ-402). Возможно сделано с целью унификации с Газель. Также есть упоминание о картере 3111-1701010 для ГАЗ-3111. Чем он отличается от других Картер задний - не выяснено.
Упомянутая выше унификация между коробками произошла в 2001 (судя по статье "За рулём", №01 за 2002 год). Было сказано об осуществленном переходе на "Газелевскую" Шестерню 1-й передачи 3302-1701106 (старая - 31029-1701106) для 5-ст коробок "Волга". Переход на 45 вместо 43 зубьев, судя по каталогам деталей, был осуществлен для КПП 3111-1700010.
Передаточное число 1-й передачи ГАЗ-31029, ГАЗ-3110, ГАЗ-3111 (5-ст КПП) - 3,618. Передаточное число 1-й передачи ГАЗ-31105 - 3,786. Данные - из литературы. Тем не менее, судя по каталогам деталей, ГАЗ-31029 и ГАЗ-3110 (до 2001 г.) имеют в своих коробках Шестерню 1-й передачи 31029-1701106 (43 зуба, два отверстия, по ЗР), ГАЗ-3111 - 3302-1701106 (45 зубьев, без отверстий, по ЗР), ГАЗ-31105 3110-1701106 (45 зубьев, шесть отверстий под выступы Кольцо блокирующее среднее). Для 5-ст коробок на 45-ти зубой шестерне, передаточное число 1-й составляет 3,786. Возможно, справочники по ГАЗ-3111 не учитывают установку новой шестерни.
Я, признаться, так и не нашел изображения шестерни 31029-1701106 с 43 зубьями. На изображении из журнала "За рулем", шестерня с двумя отверстиями имеет 45 зубьев а не 43, как указано в статье.

Остальные изменения коробки 3111-1700010 относительно 3110-1700010:
- 3110-3802033-01 (старая 3110-3802033) Шестерня привода спидометра ведущая;
- 31029-1701116-10 (старая 31029-1701116) Муфта синхронизатора со ступицей 3-й и 4-й передач;
- 31029-1701119-10 (старая 31029-1701119) Ступица муфты синхронизатора 3-й и 4-й передач (входит в состав Муфта синхронизатора со ступицей 3-й и 4-й передач 31029-1701116-10);
- 31029-1701171-10 (старая 31029-1701171) Сухарь синхронизатора;
- 31029-1701174-10 (старая 31029-1701174) Муфта синхронизатора со ступицей 1-й и 2-й, 5-й и передачи ЗХ;
- 31029-1701177-10 (старая 31029-1701177) Ступица муфты синхронизатора 1-й и 2-й, 5-й и передачи ЗХ (вместе с 31029-1701175 Муфта синхронизатора входит в состав 31029-1701174-10 Муфта синхронизатора со ступицей 1-й и 2-й, 5-й и передачи ЗХ).
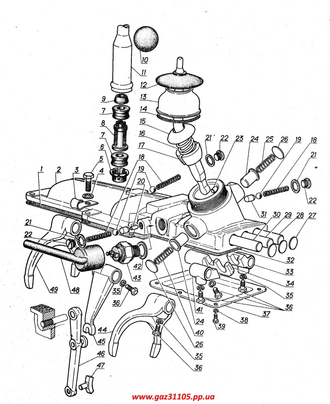
7. 2003-2008. ГАЗ-31105. КПП 3110-1700010, 31105-1700010, 31105-1700010-10, 31105-1700010-20, 31105-1700010-30, 31105-1700010-50, 31105-1700010-60, 31105-1700010-80 (5-ст).
Spec: 5 ступеней. 3110-1700010.
5-ст КПП 3110-1700010 устанавливалась на автомобили с двигателем ЗМЗ-406.
В "Каталоге деталей и сборочных единиц" Издательство Третий Рим, 2008 г. для ГАЗ-31105 указана стандартная коробка ГАЗ-3110 для ЗМЗ-406 - 3110-1700010. Тем не менее коробка для ГАЗ-31105 была в значительной степени модернизирована. В том-же "Каталоге деталей", а также в "Дополнение к каталогу деталей и сборочных единиц" для ГАЗ-31105 по документации от 01 ноября 2003 г. указаны новые детали.
Отличия описаны в журнале "За рулём", №10 за 2003 год "Пять ступеней второго поколения" (Линк на оригинал). Автор - тот же, что и в статье 2002 г.

Подшипники. Вологодский подшипниковый завод применил горячую ковку заготовок колец, что увеличило срок службы шариковых подшипников в два раза.
Подшипники промежуточного вала теперь роликовые (две единицы на вал), а не шариковые. Роликовые подшипники коробки "ГАЗ-31105" требуют регулировки предварительного натяга от 0,03 до 0,13 мм. Операция осуществляется подбором регулировочных колец 12-ти номиналов с шагом 0,1 мм: от деталь номер 3302-1701315 2,5 мм толщиной до деталь номер 3302-1701326 3,5 мм толщиной (т.е. деталь номер 3302-1701316 толщина 2,6 мм, деталь номер 3302-1701317 толщина 2,7 мм и т.д.). В коробке "ГАЗ-3110", для промежуточного вала на шариковых подшипниках, осевое перемещение выбиралось регулировочной прокладкой 31029-1701075 толщиной 0,2 мм. Количество прокладок 0-3 шт. при допуске на осевое перемещение вала 0,0 - 0,2 мм.
Изменился Вал промежуточный, поскольку новые роликовые подшипники входят в его состав. Новая деталь - 3110-1701048. Вал промежуточный с внутренними кольцами подшипников - 3110-1701046.
Мероприятие по подшипникам промежуточного вала призвано увеличить жесткость конструкции и уменьшить шумность работы шестерен. Допускаю, что скорее не от желания добавить комфорта, а больше от желания обеспечить нормы по шумности Евро-2.
Новые детали коробки "ГАЗ-31105":
- B6-50307АКШ1 (старая B6-50307АКШ) Шариковый подшипник первичного вала;
- В6-50706УШ1 или В6-50706АУШ1 (старая В6-50706УШ1) Шариковый подшипник вторичного вала;
- 6-7305АШ (старая B6-50305А1Е) Подшипник промежуточного вала (он же Подшипник передней ступицы Газель 21Р-3103025-01);
- 3110-1701048 (старая 31029-1701048-20) Вал промежуточный;
- 3110-1701046 (старая 31029-1701046-20) Вал промежуточный с внутренними кольцами подшипников (старое название - Вал промежуточный с подшипниками).
.
Вилки. Вилки стали не только "более жесткими", что улучшило четкость включения передач, но и изменились конструктивно. Старые вилки передвигали муфты синхронизаторов, работая по ним непосредственно "рогами" детали. Новые имеют сменные детали "сухарь", который активно стирается, и может быть заменен при "недовключении" передачи без замены самой вилки.
Новые детали коробки "ГАЗ-31105":
- 3302-1702024 (старая 31029-1702024) Вилка переключения 1-й и 2-й, 3-й и 4-й передач (2 единицы);
- 3302-1702092 (старая 31029-1702092) Вилка переключения 5-й передачи и передачи ЗХ (1 единица);
- 3302-1702028 Сухарь (6 единиц);

Синхронизаторы. Немного теории.
Классический одноконусный синхронизатор (ниже - терминология ГАЗ) состоит из:
- Ступица муфты - 1 шт на синхронизатор;
- Сухарь синхронизатора - 3 шт на синхронизатор;
- Пружина синхронизатора - 2 шт на синхронизатор;
- Муфта синхронизатора (она же Муфта включения) - 1 шт на синхронизатор;
- Кольцо блокирующее - 2 шт на синхронизатор;
- Шестерня с блокирующим венцом (она же с фрикционным конусом) - 2 шт на синхронизатор.

На коробке "ГАЗ-3110" "классические синхронизаторы" были унифицированы.
Состав синхронизаторов "ГАЗ-3110" (количество указано на всю коробку):
- Ступица муфты - 31029-1701177 2 шт, для блока 1-й и 2-й, блока 5-й и ЗХ, 31029-1701119 1 шт для блока 3-й и 4-й;
- Сухарь синхронизатора - 31029-1701171 - 9 шт;
- Пружина синхронизатора - 3105-1701170 - 6 шт;
- Муфта синхронизатора - 31029-1701175 - 3 шт;
- Кольцо блокирующее - 31029-1701179 - 6 шт;
- Шестерня с блокирующим венцом - 31029-1701106 - 1-й, 31029-1701122 - 2-й, 31029-1701128 - 3-й, 31029-1701022-10 - Вал первичный, 31029-1701152-10 5-й, 31029-1701140 - ЗХ.
Примечание: Муфта синхронизатора и Ступица муфты составляют деталь Муфта синхронизатора со ступицей. Деталь 31029-1701174 для блока 1-й и 2-й, блока 5-й и ЗХ, 31029-1701116 для блока 3-й и 4-й.
На коробке "ГАЗ-31105" с целью улучшения легкости включения синхронизатор блока 1-й и 2-й из одноконусного сделали трехконусным. В некоторых источниках двухконусным, хотя конусных трущихся поверхностей всё-же три. В двухконусном синхронизаторе - тоже три кольца, но при этом внутреннее работает только по среднему, а среднее по наружному. Блокирующий венец в двухконусном синхронизаторе отсутствует.
Вместо детали Кольцо блокирующее 31029-1701179 в состав синхронизатора стали входить Кольцо блокирующее наружное 3302-1701179, Кольцо блокирующее среднее 3302-1701149 и Кольцо блокирующее внутреннее 3302-1701047. Комплект из трёх колец (наружное, среднее и внутреннее) составляет деталь Кольцо блокирующее 3302-1701178. Для остальных синхронизаторов, блок 3-й и 4-й, блок 5-й и ЗХ, Кольцо блокирующее осталось прежним - 31029-1701179.

Под новую конструкцию синхронизатора 1-й и 2-й были изменены шестерни. Новые детали 3110-1701106 - 1-й и 3110-1701122 - 2-й.
Были изменены все три ступицы муфт. Визуальное отличие новых муфт - три углубления на торце. Новые детали 31029-1701177-11 1-й и 2-й, 31029-1701119-10 3-й и 4-й, 31029-1701177-10 5-й и ЗХ.

Состав синхронизаторов коробки "ГА3-31105" (количество указано на всю коробку):
- Ступица муфты - 31029-1701177-11 1 шт для блока 1-й и 2-й, 31029-1701119-10 1 шт для блока 3-й и 4-й, 31029-1701177-10 1 шт блока 5-й и ЗХ, ;
- Сухарь синхронизатора - 31029-1701171-10 - 9 шт;
- Пружина синхронизатора - 3105-1701170 - 6 шт;
- Муфта синхронизатора - 31029-1701175 - 3 шт;
- Кольцо блокирующее наружное 3302-1701179 - 2 шт;
- Кольцо блокирующее среднее 3302-1701149 - 2 шт;
- Кольцо блокирующее внутреннее 3302-1701047 - 2 шт;
- Кольцо блокирующее - 31029-1701179 - 4 шт;
- Шестерня с блокирующим венцом - 3110-1701106 - 1-й, 3110-1701122 - 2-й, 31029-1701128 - 3-й, 31029-1701022-10 - Вал первичный, 31029-1701152-10 5-й, 31029-1701140 - ЗХ.
Примечание: Муфта синхронизатора и Ступица муфты составляют деталь Муфта синхронизатора со ступицей. Деталь 3302-1701174 для блока 1-й и 2-й, 31029-1701116-10 блока 3-й и 4-й, 31029-1701174-10 блока 5-й и ЗХ.
Общий вид:

Остальные изменения коробки 3110-1700010 для ГАЗ-31105 относительно коробки 3110-1700010 для ГАЗ-3110:
- 3110-3802033-01 (старая - 3110-3802033) Шестерня привода спидометра ведущая (Та-же новая шестерня в коробке 3111-1700010);
- 3110-3802034-01 (старая - 3110-3802034) Шестерня привода спидометра ведомая;
- 3110-1701100-01 (старая - 3110-1701100) Вал вторичный в сборе.
В Каталогах деталей обычно не указана деталь Втулка удлинителя коробки передач. В Руководствах по ремонту требуют смазывать "сталебаббитовый подшипник заднего картера" заодно с сальниками при сборке коробки. Эта же деталь называется "Сталеалюминиевая втулка". На каком то этапе эту втулку тоже изменили. Новая деталь 31105-1701209, старая 24-1701209-01. Втулка запрессовывается в удлинитель и расположена перед его сальниками. По ней работает скользящая вилка карданного вала. В случае дисбаланса карданного вала втулка может разбиться и потребовать замены. При сборке необходимо выдержать зазор между новой втулкой и работавшей скользящей вилкой (т.е. развернуть втулку под конкретную вилку).

Spec: 5 ступеней. 31105-1700010.
5-ст КПП 31105-1700010 устанавливалась на автомобили с двигателем ЗМЗ-402.
Единственное отличие коробки 31105-1700010 от 3110-1700010 (для ГАЗ-31105) - Картер коробки передач задний в сборе 330243-1701010 вместо 31029-1701010-01. На 330243-1701010 справа крепится кронштейн приемных труб ЗМЗ-402.
Spec: 5 ступеней. 31105-1700010-10.
5-ст КПП 31105-1700010-10 устанавливалась на автомобили с двигателем Chrysler и включала номенклатуру деталей согласно конструкторской документации по состоянию на 01 сентября 2005 года.
Внедрен "газелевский" ряд передач. Для этого в коробку были установлены новые первичный и промежуточный валы. Шестерни на ЗМЗ "волговской" и "газелевской" коробках все, кроме 1-й передачи, одни и те-же. Изменение передаточных чисел на грузовом и легковом автомобилях достигается разными числами зубьев шестерен на первичном и промежуточном валах. "Волговский" Вал первичный - 26 зубьев, "газелевский" - 25. Шестерня "волговского" Вала промежуточного - 35 зубьев, "газелевского" - 36.
Вал первичный Chrysler 31105-1701022 на 50 мм длиннее и на 2 мм толще по шлицевой части (было 17 мм стало 19 мм) "ЗМЗшного" вала 31029-1701022-10. Вал первичный с подшипником и кольцом синхронизатора - 31105-1701025, старая - 31029-1701025-10 Вал первичный с подшипником. Зубьев - 25. Поменялся и подшипник - В6-50307АКШ1 вместо В6-50307АКШ и крышка подшипника - 330242-1701039 вместо 31029-1701040.
Существует Вал первичный со шлифованными зубьями для этой коробки - 31105-1701025-01. Про шлифовку зубьев - см. материал по коробке -50.
Вал промежуточный Волга Chrysler с шестернями и внутренними кольцами подшипников, собственно, "газелевский" 3302-1701046-10. Зубьев - 36. На коробке ГАЗ-31105 ЗМЗ - 3110-1701046.
ГП машин с Chrysler - дизельная волговская 3,58. Соответственно, в коробку машин "Chrysler" устанавливалась "дизельная" Шестерня привода спидометра ведомая 31104-3802034. 18 зубьев против 20 зубьев у шестерни 3110-3802034-01 "для ЗМЗ".
На коробку установили Картер коробки передач задний 330243-1701010. Приемная труба Chrysler - справа от двигателя.
До коробки -10, с целью "конструкторских и экспериментальных работ" на автомобили с двигателем Chrysler устанавливали обычную коробку от Газель, видимо, с высоким, газелевским же картером рычага. Сам рычаг, таким образом, казался более коротким и кривым, нежели на машинах с ЗМЗ.
Spec: 5 ступеней. 31105-1700010-20.
5-ст КПП 31105-1700010-20 устанавливалась на автомобили с двигателями ЗМЗ, салон "рестайлинг".
Изменился Корпус рычага переключения передач. Новая деталь 31105-1703244. Сам Корпус рычага переключения передач в сборе - деталь 31105-1703010. Пластиковый Кожух привода механизма переключения передач 31105-1703219. Оба картера, шестерни и валы - те-же "ГАЗ-31105 ЗМЗ".

Рычаг переключения стал короче. Новая деталь 31105-1702802 Рычаг переключения передач в сборе. Состоит из 31105-1702142-10 Рычаг переключения передач верхняя часть (старая 24-1702142) и 31105-1702140-10 Рычаг переключения передач нижняя часть (старая 31029-1702140).
Изменилась рукоятка переключения передач. Она стала более "резиновой". Состоит из двух частей. Самой рукоятки 31105-1702159 и вставки со схемой переключения передач 31105-1702162.
Spec: 5 ступеней. 31105-1700010-30.
5-ст КПП 31105-1700010-30 устанавливалась на автомобили с двигателями Chrysler и включала номенклатуру деталей согласно конструкторской документации по состоянию на 01 декабря 2006 года.
С трактовкой "из-за шумности", видимо подготавливали выполнение машинами норм Евро-2, передаточные числа коробки Chrysler перевели на "волговский" ряд.
Вал первичный - новая деталь 31105-1701022-20 имеет 26 зубьев (на коробке -10 было 25). Вал первичный с подшипником и кольцом синхронизатора - 31105-1701025-20. Вал промежуточный - вернулась волговская деталь 3110-1701046 (35 зубьев) на место газелевской 3302-1701046-10 (на коробке -10 зубьев было 36).
Spec: 5 ступеней. 31105-1700010-50.
5-ст КПП 31105-1700010-50 устанавливалась на автомобили с двигателями ЗМЗ.
Коробка отличается от 3110-1700010 "для ГАЗ-31105" наличием шлифованных зубьев. Зубья шлифуются на Вал первичный 31105-1701025-10 (без кольца синхронизатора - 31105-1701022-10) и на Шестерне 5-й передачи 31105-1701152. Операция производится на зубошлифовальных комплексах "Liebherr".
Новый Вал первичный является аналогом Вала 31029-1701025-10 (КПП 3110-1700010 для ГАЗ-31105) и устанавливается на коробки Волг с двигателями ЗМЗ. Новая шестерня 5-й передачи применяется также в коробках "Газель" 3302- и Next.
Цитата "Авторевю" (статья вышла в апреле 2007 г.): "Уже увеличен на 15 мм диаметр сцепления на Волгах с американским мотором. Вот-вот освоят технологию шлифовки зубьев шестерен коробки передач — она должна притихнуть, как притих «отшлифованный» задний мост."
По поводу сцепления - это они про переход на "соболевский" диск 2217-1601130-10 со старого диска 31105-1601130. Он произошел заодно с переходом на коробку -30 с коробки -10, т.е. в конце 2006-го года.
Коробка 31105-1700010-50 установлена на мою машину - март 2007.
Новая шестерня 5-й и новый вал не указаны для коробок -20 и -80. Теоретически их должны были ставить в 2008-м году на машины "рестайлинг" с Chrysler и ЗМЗ-40525. Были ли это штатные коробки -20 и -80 (либо -90 и -100, о которых ничего не известно) - остается вопросом.
Spec: 5 ступеней. 31105-1700010-60.
5-ст КПП 31105-1700010-60 устанавливалась на автомобили с двигателями ГАЗ-560.
Про эту коробку мне не известно ничего. Можно только догадываться, что с целью унификации в "дизельный" корпус поместили стандартные валы и шестерни "31105". Подтверждений этому у меня нет. Последние Газели с этим двигателем были выпущены в 2000-м, Волги - конец 2007-го.
Spec: 5 ступеней. 31105-1700010-80.
5-ст КПП 31105-1700010-80 устанавливалась на автомобили с двигателями Chrysler, салон "рестайлинг".
Судя по всему, коробку 31105-1700010-30 оборудовали корпусом рычага переключения передач и самим рычагом переключения передач от КПП 31105-1700010-20.
8. с 2006 г. Коробки как зап.части. КПП КПП 31105-1700010-01, 31105-1700010-02, 31105-1700010-11, 31105-1700010-70, 31105-1700010-90, 31105-1700010-100 (5-ст).
Помимо коробок, поставляемых на конвейер, с 2006-2007-го годов ГАЗ стал выпускать КПП в качестве запчастей. Такие коробки перекрывали весь диапазон машин - и "старых", уже не производимых, и "новых". Агрегаты для "старых" машин выпускались с модернизированными, как у ГАЗ-31105, деталями, но с соответствующим старым машинам приводом спидометра, расположением заливной пробки, приливами под кронштейны крепления выпускной системы и т.д. Агрегаты для "новых" машин с одной и той-же маркировкой и ставились как на серийные машины так и уходили на рынок зап.частей.
Таким образом выпускаемые коробки 5-ст включали в себя самые последние улучшения и были адаптированы под любую модель/модификацию автомобиля "Волга".
Коробки маркировались как "3110550" в случае "31105-1700010-50" вертикальными цифрами. Таким-же методом маркировались коробки на серийных машинах ГАЗ-31105 - ГАЗ-3102.

Небольшой список коробок и найденных про них сведений:
31105-1700010-01 ЗМЗ-402, 405, 406 (электронный спидометр), под правую/левую приемную трубу;
31105-1700010-02 ЗМЗ-402, 405, 406 (электронный спидометр);
31105-1700010-11 Chrysler (в Дополнении с этой коробкой указан изменившийся рычаг КПП. Новый рычаг - обычный 31105. Что изменилось - не выяснил.);
31105-1700010-70 ЗМЗ-402 (механический спидометр) шлифовка зубьев шестерен;
31105-1700010-90 нет данных;
31105-1700010-100 нет данных (только Евро3 2007 г.в).
Как можно заметить по коробке 31105-1700010-01, выполненной универсальной для ЗМЗ-402 и ЗМЗ-406 ("под правую/левую приемную трубу"), описанные выше на странице 5-ст коробки могут иметь различия в расположении заливной пробки. ЗМЗ-402 и Chrysler - пробка слева, ЗМЗ-406 - пробка справа. Передний картер - одна и та-же деталь для всех 5-ст коробок. СтОит обращать внимание на расположение заливной пробки при выборе коробки.
Деталь "Вторичный вал в сборе", в состав которой входят шестерня 5-й передачи со шлифованными зубьями а также тройной синхронизатор имеет номер:
- для "электронных" спидометров - 31105-1701100;
- для "механических" спидометров - 31105-1701100-10.
В номенклатуре коробок встречаются также восстановленные, видимо заводом, "refurbished" КПП. Пример обозначения - 3110Р-1700010.
Выпускается несколько рем.комплектов для 5-ст коробок передач. Все касаются механизма переключения.
31105-1702800 ремонтный комплект корпуса рычага КПП:
- 258948-П штифт - 1 шт;
- 260307-П заглушка - 2 шт;
- 295033-П штифт - 2 шт;
- 52-1702097 предохранитель - 2 шт;
- 24-1702100 пружина - 2 шт.
31105-1702801 ремонтный комплект пластины фиксаторов КПП:
- 201454-П29 болт - 2 шт;
- 252155-П2 шайба - 2 шт;
- 508607-П шарик - 3 шт;
- 31029-1702084 пластина фиксаторов - 1 шт;
- 31029-1702085 прокладка пластины - 1 шт;
- 31029-1702106 пружина пластины - 3 шт;
31105-1702802 ремонтный комплект рычага КПП:
- 24-1702122 пружина рычага - 1 шт;
- 24-1702124 седло пружины - 1 шт;
- 24-1702126 колпак рычага - 1 шт;
- 24-1702128 уплотнитель - 1 шт;
- 31209-1702140 рычаг КПП - нижняя часть - 1 шт;
- 24-1702142 рычаг КПП - верхняя часть - 1 шт;
- 24-1702144-01 конус упорный - 1 шт;
- 24-1702146 втулка распорная - 1 шт;
- 24-1702148 подушка рычага - 2 шт;
- 24-1702150 втулка запорная - 1 шт.
Еще два "ремонтных комплекта рычага КПП":
3102-1702620 - то же что 31105-1702802, только без 24-1702142 рычаг КПП - верхняя часть;
3102-1702622 - то же что 3102-1702620, только без 24-1702126 колпак рычага.
По информации о рем.комплектах добавлю, что опыт эксплуатации установленных на конвейере 5-ст коробок передач с 2002-2003 годов говорит о значительно возросшем их качестве. На грузовых "Газель" коробки стали требовать только замен механизма переключения, иногда в запущенных случаях - картера механизма, если рычаг переключения начинал "болтаться". Рычаг более длинный, нежели волговский, работали им чаще, нежели на легковой машине. Также дисбаланс карданной передачи приводил к разрушению заднего картера и на грузовых и на легковых машинах. Проблема не относится к коробке передач как таковой и на Волгах чаще всего являлась следствием перехода на одновальную карданную передачу.
Во времена выпуска ГАЗ-3110 разнообразных проблем с коробками передач (перечислять проблемы можно долго) было больше.
5-ст коробки ГАЗ-31029 в большинстве своем пережили своих агрегатоносителей. Качество их изготовления и сборки в те времена "мелкосерийного" выпуска было отличным.