I. Предыстория. Частники и СП.
1. Комплект универсальный "накрышный".
2. Комплекты "ОКМА" (402/406).
3. Комплект SCS/Teploobmennic.
4. Кондиционер корпус металл.
5. Кондиционер корпус стеклопластик.
II. История заводских установок.
1. Комплект SCS/Frigette.
2. Комплект с переключателем.
3. Комплект ГАЗ-3111.
4. Комплект на базе корпуса отопителя 31107.
III. Типичное климатическое оборудование ГАЗ-31105 (корпус 31107).
1. Компрессор кондиционера.
2. Кронштейны компрессора кондиционера.
3. Водяной насос для машин с кондиционером.
4. Конденсор кондиционера с электровентилятором.
5. Радиатор системы охлаждения двигателя (ГАЗ-3102).
6. Ремень привода агрегатов.
7. Шкив насоса ГУР.
8. Шкив коленвала.
9. Осушитель с датчиком давления.
10. Шланги и трубки с фитингами, ТРВ.
11. Салонный блок.
12. Сервоприводы.
13. Пульт управления.
14. Кран перекрытия ОЖ.
15. Проводка и реле.
16. Электросхемы.
17. ЭБУ.
IV. Нетипичное климатическое оборудование ГАЗ "Волга".
1. "РИДА".
2. "Техносервис".
3. НАМИ и "Espero".
4. "Алькор".
5. "Элинж".
6. "Микротэк" (Микро-НН).
7. "ТДБ-1".
8. "КАМ".
9. Неидентифицированные пульты.
I. Предыстория.
Над охлаждением воздуха в салоне ГАЗ начал работать уже после существования СССР. Одна из причин - фактическое отсутствие изготовителей компонентов. Едва ли не единственный производитель в СССР - "Мелитопольское объединение холодильного и компрессорного машиностроения", на котором выпускались компоненты кондиционеров для легковых автомобилей. Что именно и для каких автомобилей - загадка. Профилем предприятия являлись промышленные установки.
Первый полноценный заводской комплект кондиционера планировалось поставить на ГАЗ-3111. Одновременно появились несколько решений от сторонних производителей.
1. Комплект универсальный "накрышный".
Для "Волг" с салоном "до ГАЗ-3110" (т.е. первые 3102, 24-10 и 31029) встречаются кондиционеры с расположением отдельного салонного блока справа, под блоком отопителя, в ногах у переднего пассажира. Салонный блок такого типа предназначен для установки "под крышу". Охлажденный воздух всегда "подныривает" под нагретый, и по этой причине эффективность "подкрышного" кондиционера, расположенного на уровне колен, является низкой. К слову во многих современных системах (на "Волгах" в том числе) автоматика запрещает подачу излишне охлажденного воздуха в направлении "на грудь". Воздух подается в основном в направлении на "лобовое стекло".

2. Комплекты "ОКМА" (402/406).
Существовало несколько "комплексных" решений тех времен. Например, "Компания ОКМА" для машин до 1997 года выпуска предлагала оснащение кондиционером собственной разработки. Кроме фотографии и названия производителя компонентов ("AUTOCLIMA") - информации нет. Переключатель (для машин с ЗМЗ-402 и консолью панели приборов ГАЗ-3102, на фото ниже) расположен между решетками центральных воздуховодов. Салонный блок заменяет блок отопителя.
Продолжением деятельности компании стал комплект автоматического климат-контроля для машин с двигателем ЗМЗ-4062, выпущенный в 1998 г.

3. Комплект SCS/Teploobmennic.
Многие компании оставили после себя только рекламу (таких опустим), однако СП "SCS/Teploobmennic, LC" изготовляло полностью работающую систему. Завод "Теплообменник" г.Нижний Новгород планировал поставлять продукцию своего СП (видимо с итальянцами) непосредственно на ГАЗ. Корпус сделан пластмассовым. Предусмотрена рециркуляция.
Не смотря на добротность, комплект не получил распространение. ГАЗу важна была низкая цена, что было не выгодно СП. Наверняка проблема состояла и в небольшом объеме поставок, что также не было выгодно поставщику комплектов.

4. Кондиционер корпус металл.
По принципу "включение компрессора одной кнопкой" устроены многие установленные в легковые машины ГАЗ кондиционеры. Единственное нестандартное узкое место - непосредственно салонный блок, который на старых "Волгах" физически не предназначен для установки испарителя кондиционера.
Вариантом решения вопроса стало изготовление части корпуса под испаритель из металла. Решение не плохое, в минусах - трудоемкость и коррозия от конденсата. Изготовитель неизвестен.

5. Кондиционер корпус стеклопластик.
Еще один вариант изготовления корпуса под испаритель предложили несколько частных производств, выпустивших стеклопластиковые детали. Минусами такого решения, помимо очевидной хрупкости и нестабильности материала (как в нем работают оси заслонок - можно только догадываться) было игнорирование инженерных расчетов по организации потоков воздуха. Главная задача - воткнуть испаритель.
Результат - вплотную расположенные отопитель и испаритель взаимно обменивались теплым или холодным воздухом. Весь объем воздуха для отбора тепла проходил через радиатор отопителя. Краны - не самая сильная часть отопительной системы "Волг" - поэтому получение действительно охлажденного воздуха из такого корпуса является почти всегда проблемным. Рециркуляции - нет. Ручное регулирование температуры потока - под вопросом, поскольку заслонки перекочевали из штатного корпуса, тоже не удачного в плане их герметизации.


II. История заводских установок.
1. Комплект SCS/Frigette.
На протяжении выпуска ГАЗ-3110 (а именно в этот период появились все климатические установки на "Волгах") было обкатано видимо дешевое и достаточно компромиссное решение по установке на машины систем SCS/Frigette, Италия. Подопытными, наряду с ГАЗ-3110, чаще выступали ГАЗ-3102.
Система появляется примерно в 1997-1998-м годах, встречается часто, и заканчивает свой выпуск на первых ГАЗ-31105 в 2003-2004 гг. Т.е. она пережила появление и исчезновение систем, описанных в п.2 и п.3 этой главы. На смену ей появился пульт "Автоагрегат+Микротек" и салонный блок "31107", выступив, можно сказать, приемником (п.4 этой главы).
Для установки системы была разработана техническая документация (линк) а в (сначала) "Руководство по эксплуатации "Волга" и (позже) "ГАЗ-31105" (до 2-го издания 2005) добавлены соответствующие пункты (линк).
Управление - электрика и механика (собственно единственная итальянская запчасть). Корпус салонного блока, радиатор отопителя, конденсор, испаритель - оригинальные. Кран (ГАЗ) ОЖ - вакуумный. Есть сообщение что салонный блок в 2003 может быть выполнен из карболита. Из того-же карболита сделаны корпуса отопителей ранних ГАЗ-3102 и всех ГАЗ-24-10.
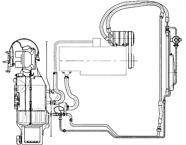
На ГАЗ-31105 с салонным блоком кондиционера "Фриджетте" под капотом впервые появились стандартные заводские кронштейны "кондиционерных" машин ГУР (с опорой на "кондиционерный" же насос ОЖ) и компрессора (стандартный), два ремня 6РК1220 и соответственно "кондиционерный" насос ГУР и т.д. Позже вся "подкапотка" без изменений выпускалась вплоть до окончания выпуска "Волг" (за исключением магистралей и переехавшего на конденсор с правого брызговика фильтра с датчиком).
Из особенностей салонного блока стОит упомянуть неспособность (из-за расположения в корпусе) радиатора отопителя эффективно отдавать тепло. При этом отбор тепла из воздуха испарителем кондиционера, и, соответственно, производительность всей системы кондиционирования были "на высоте" (как и надежность паяного испарителя, сделанного в горячей солнечной Мексике).
электросхема - скачать
инструкция по установке на машину - скачать
выдержка из РЭ ГАЗ-31105 - скачать
ссылка описание (HuNTeR11) - перейти




2. Комплект с переключателем.
Дальнейшее развитие системы с "одной кнопкой" переключателя выразилось в развитии решения соединения двух корпусов. Левая половина (блок с заслонками и вентилятором отопителя) была стандартна для "Волг". Правая половина - "универсальный" испаритель со своим собственным корпусом (видимо от универсального комплекта "SANDEN"), выход и вход которого для вывода под капот удлиняли короткими отрезками "кондиционерных" шлангов.
Не смотря на штучность изготовления, машин было выпущено множество. В основном оснащались массовые ГАЗ-3110. Для ГАЗ-3102 подбирались комплекты подороже, с обратной связью, электроникой и т.д.
Была составлена официальная электрическая схема (линк). Похожая схема была выпущена в составе электросхем книги по ГАЗ-31105 издательством "За Рулем" (2011 г, линк на схему).


Для установки салонного блока удаляется короб воздуховода изнутри салона. Таким образом забор воздуха снаружи происходит почти всегда в обход агрегата. Воздух и любые атмосферные осадки любой забортной температуры подаются прямо на ноги правому пассажиру. При наличии панели воздухопритока старого типа, с отверстиями над воздухозаборником (ГАЗ-3102), все становится еще печальнее. Решение, надо признать, довольно абсурдное.
3. Комплект ГАЗ-3111.
Стандартно ГАЗ-3111 (напомню, выпущено до полутысячи кузовов) имели кондиционер. Был ли он на конкретной машине - зависело от комплектации, но место под испаритель в салонном блоке присутствовало (как и все сервопривода заслонок).
Управление кондиционером - стандартно переключатель (возле рычага ручного тормоза).



Однако такой красивый корпус как на фото выше был установлен далеко не на всех машинах. Видимо на "ранних" кузовах 3111 корпуса салонных установок изготовлялись по обходным технологиям (стеклопластик, саморезы и заклепки). Примерно вот такие:

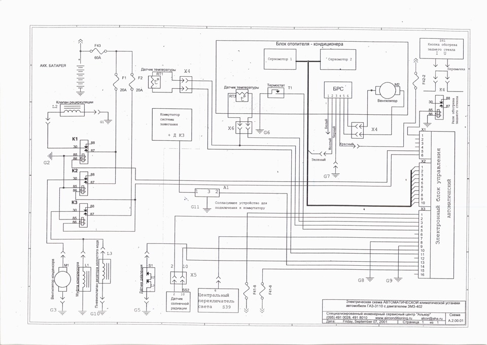
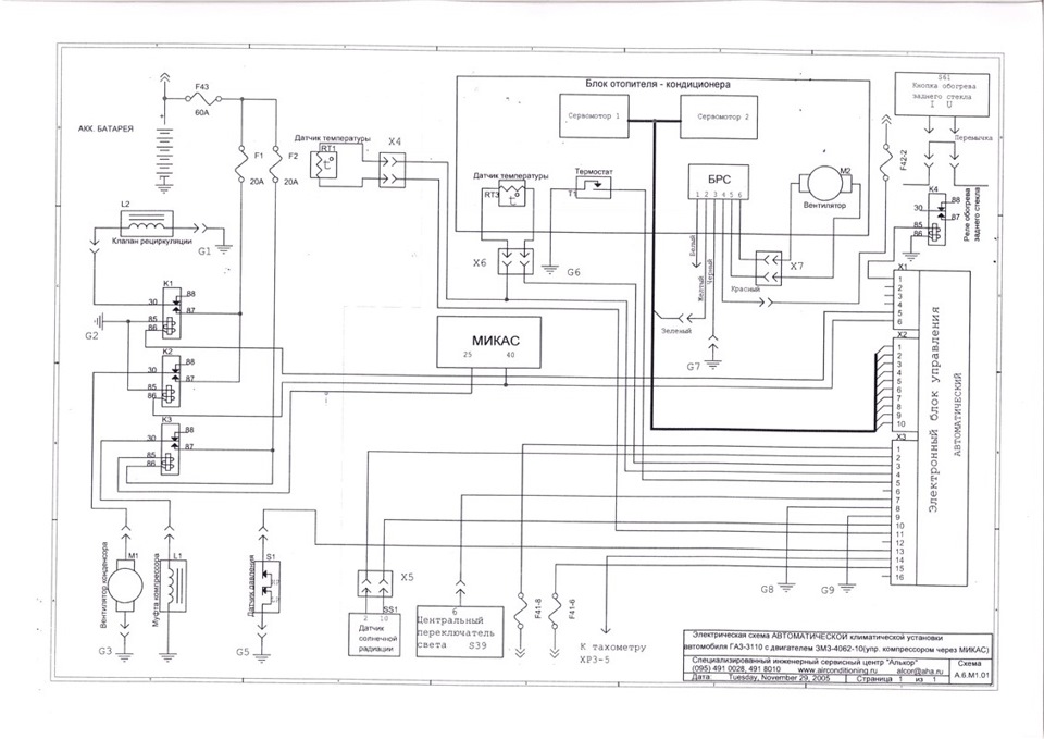
4. Комплект на базе корпуса отопителя 31107.
Прототип системы был спроектирован для установки в ГАЗ-3110 "Рестайлинг" (линк). На схеме ниже в планируемом салоне автомобиля виден климатический агрегат, который в серию не пошел. Под капотом из отличий от более поздней компоновки (ГАЗ-31105)- вакуумный кран отопителя (весьма загадочно, что вакуумные трубки уходят в салон) и расположение ресивера на правом брызговике (позже перед конденсором).

Более-менее всё сложилось примерно к середине 2005 года, когда был налажен выпуск корпусов салонных блоков и пультов управления, предназначенных для установки в перспективную модель ГАЗ-31107. Оборудование устанавливалось в ГАЗ-31105 и ГАЗ-3102.

Переделок по кузову новые блоки отопителей / кондиционеров потребовали не много. Изменилось расположение отверстий в моторном щите, появились места в шумоизоляции щита под сверловку в случае наличия испарителя в комплектации, был перенесен верхний кронштейн крепления салонного блока к кузову.
Система отопления и вентиляции пережила несколько эволюций (подробнее - линк). В то-же время система кондиционирования воздуха изменилась мало. На "дорестайлинге" уже "в базе" существовала обратная связь по температурному датчику (в пульте) и управление заслонкой рециркуляции. С приходом машин "рестайлинг" в 2007 - поменялся пульт установки, датчик температуры воздуха внутри салона переехал на потолок, в корпусе правого зеркала заднего вида появился датчик наружной температуры воздуха. Салонный блок дооборудовали двумя недостающими сервоприводами заслонок (была механика).
Инструкция по эксплуатации климатической установки "Автоагрегат+Микротек" машин "дорестайлинг" появилась во 2-м издании "РЭ ГАЗ-31105" вложенным листом. Для машин "рестайлинг" инструкция по работе с "Шаттлом" была напечатана в полном объеме в 4-м издании "РЭ ГАЗ-31105" 2007 г.
Касаясь технической стороны отмечу некоторые проблемы установки с кронштейном насоса ГУР (недостаточная прочность кронштейна, что приводит или к его поломке или к сползанию из-за него ремня привода компрессора и насоса ГУР). Иногда наблюдается подклинивание заслонки подмешивания в салонном блоке (заслонку приходится сдергивать с мертвой точки вручную). Фактически отсутствуют в доступе испарители (была выпущена партия под заказ для ГАЗ и больше они не выпускались).
Cамое большое количество проблем - с пультами управления. Платы дорестайлингового и рестайлингового пультов ("Микротек") крайне ненадежны как хардом так и софтом. Обратная связь по температуре или не работает совершенно или работает плохо при полностью исправных компонентах системы. Платы и корпуса пультов для климатики "Волг" не совместимы с аналогами от "Газелей" и "Соболей" и также больше не выпускаются.
1. Руководство по ремонту отопителя ГАЗ-31105
2. Руководство по ремонту климата ГАЗ-31105
3. Глава РЭ 31105 2008 5-е изд. про управление климатом (Рестайлинг и Дорестайлинг)
ГАЗ-31105 стал первым товарным автомобилем, оснащенным кондиционером, которому был присвоен индекс соответствующей комплектации. Этим он и отличается от машин - предшественников, на которых "кондиционеры" были установлены по обходной технологии, без присвоения индекса.
III. Типичное климатическое оборудование ГАЗ-31105 (корпус 31107).
Стандартной Волге выпуска 2006-2008 гг. чтобы охладить воздух в салоне необходимы:
1. Компрессор кондиционера. Обычно всегда SANDEN SD5H11 исполнение s6328 (хладагент R134a, шкив бывает как под клиновые ремни так и под поликлиновый). Точно подходящий по габаритам, производительности и штуцерам присоединения на ЗМЗ-406 агрегат. На практике устанавливались и другие компрессоры, например SANDEN SD7H13 и другие 7-ми поршневые (например для SCS/Frigette), часто с "подгонкой по месту" самого компрессора. Также на старых комплектах (под хладагент R12) часто встречается SANDEN SD-508 s8390 со шкивом под два клиновых ремня. На ГАЗ-31105 Chrysler устанавливался NIPPONDENSO 10s17c (55037578АС), однако встречается информация об установке того-же SANDEN SD5H11 на специальные кронштейны. Компоновка Chrysler позволяет устанавливать многие компрессоры (в частности SANDEN SD7H15), от незаводских комплектов. Повторюсь, документально для Chrysler предписывается NIPPONDENSO.


2. Кронштейны компрессора кондиционера. Схема заводской установки компрессора для ЗМЗ - слева от двигателя. Для Chrysler - справа.
В зависимости от производителя незаводского оборудования кронштейны на ЗМЗ бывают разные. Соответственно вылет компрессора относительно шкива коленвала (ЗМЗ) тоже бывает разный. Заводские кронштейны (ЗМЗ) ниже на фото. В некоторых незаводских схемах (Элинж) помимо кронштейнов компрессора и насоса ГУР присутствует упор для одной из точек крепления насоса ОЖ.
Из незаводских комплектов встречаются кронштейны компрессора для машин без ГУР (для ГАЗ-3110). Поскольку подавляющее большинство ГАЗ-31105 оборудовано системой гидравлического усиления руля, заводских кронштейнов компрессора для машин без ГУР видимо не бывает.
Добавлю, что незаводских вариантов кронштейнов разных размеров и компоновки было действительно много. При покупке комплекта оборудования для установки необходимо иметь все соответствующие этому комплекту элементы.


3. Водяной насос для машин с кондиционером. Кронштейн ГУР для машин с кондиционером (заводской, на фото выше) предполагает наличие дополнительной точки крепления на корпусе водяного насоса (резьба М8). Насос "Евро-0" и "Евро-2" имеет индекс 4062-3906629-10 и достаточно часто продается как обычное изделие, с оставшимся незадействованным отверстием под кронштейн. Насосы под "Евро-2" и "Евро-3" имеют разные диаметры под большие патрубки. Для насосов "Евро-3" почти всегда место для крепления кронштейна ГУР для машин с кондиционером присутствует.

4. Конденсор кондиционера с электровентилятором. Устанавливались различные конденсоры и вентиляторы. Заводской конденсор для ГАЗ-31105 - 640х360х24 мм. Вентилятор - 14 дюймов (производители разные).

5. Радиатор системы охлаждения двигателя. Для установки на модификации ГАЗ-31025 с кондиционером, Лихославльским радиаторным заводом (он же "Прамо") выпускался модифицированный радиатор системы охлаждения. Маркировка обычного радиатора - 3102-1301010-10, "кондиционерного" - 3102-1301010-40. На ГАЗ-31105 радиаторы оборудованных кондиционером машин и не оборудованных им не отличались.
Отличий радиатора 3102-1301010-40 от обычного два. Первое - гнутый выход из радиатора для огибания появившегося компрессора кондиционера. Второе - место под датчик включения электровентилятора на левом бачке. Зачем нужен датчик и его маркировка - загадка.

6. Ремень привода агрегатов. В заводском исполнении: ЗМЗ-406 - два ремня 6РК1220, Chrysler - один 6РК1930. На ЗМЗ-402 и ГАЗ-560 штатно компрессоров не устанавливалось.


7. Диаметр шкива насоса ГУР ЗМЗ-406 с кондиционером (завод) - 100 мм. Диаметр шкива насоса ГУР для машин без кондиционера - 115 мм. Разница в диаметрах шкивов насосов ГУР позволила применять на машинах с кондиционером два одинаковых ремня 6РК1220.

8. Шкив коленвала ЗМЗ-406 с компрессором кондиционера - под два ремня (406.1005050-60). Для его установки вместо обычного (406.1005050-30) шкива необходим демонтаж втулки (406.1005038-10) коленвала. Шкив состоит из двух частей, соединенных болтами. Вначале напрессовывается ступица шкива (на место удаленной втулки), которая теперь через уплотнительное кольцо (406.1005044) удерживает звездочку КВ (406.1005033-10). Затем к ступице крепится собственно шкив. Манжета передней крышки двигателя (406.1005034-01 или -02) теперь работает по ступице шкива а не по втулке как раньше. Ступица двухручьевого шкива - от двигателя ЗМЗ-402.
Шкив под два ремня прессуется на КВ с бОльшим усилием нежели обычный. Теперь он выполняет роль фиксатора звездочки КВ. В некоторых случаях требуется развертка посадочной поверхности шкива до размеров посадочной поверхности снятой втулки. Можно, конечно, забить шкив, а потом сдергивать его съемником, но периодическое, пусть редкое, снятие его всё равно потребуется (для замены манжеты), и поэтому индивидуальный подход по замене шкива в каждом конкретном случае имеет место быть.
Для незаводских решений применялась вставка в обычный демпферный шкив, для центровки которой на шкиве всегда есть два отверстия с резьбой (отверстия - для установки съемника). Вылет вставок из разных комплектов может быть разный. Решение далеко не лучшее, поскольку усилие от работающей муфты компрессора кондиционера часто расшатывает демпферный шкив, и он приходит в негодность с различными последствиями для двигателя.
Надо добавить что даже на машинах без кондиционера некачественные шкивы разваливаются на высоких оборотах или протирают дыры в передней крышке двигателя вплоть до сквозных. Поэтому решение с заводским шкивом под два ремня (номер детали 406.1005050-60) является оптимальным и лучшим даже для машин без компрессора кондиционера.




9. Осушитель с датчиком давления. Штатно - спереди слева перед конденсором. Поскольку расходник, производитель может быть разный.

10. Шланги и трубки с фитингами, ТРВ. Заводские магистрали изготовлены с применением алюминиевых труб. Незаводские - чаще шланги. ТРВ (термо-расширяющий вентиль) в стандарте - на входе в испаритель под капотом. На альтернативных комплектах - часто внутри салонного блока.


11. Салонный блок. Заводской в корпусе отопителя "31107-" (считается что корпус появился 05.06.2006) уже имеет место под испаритель. До "31107-" на машинах с климатикой были только переделанные корпуса отопителя. Также в составе блока собственно испаритель (обычно с маркировкой "GAZ III", в качестве производителя указан "ОАО ГАЗ") и антиобледенитель. На незаводских установках испаритель (разных типов) устанавливался как в оригинальном корпусе климатической установке так и в доработанных корпусах отопителя (зависит от комплекта).


12. Сервоприводы климатической установки. В заводском исполнении отопитель "31107-" всегда имеет сервопривод заслонки подмешивания. Верхняя и нижняя заслонки притока воздуха на "дорестайлинге" были механическими. С приходом в 2007 г. пульта "Шаттл" заслонки воздухопритока обрели свои электрические привода.
"Дорестайлинг": подмешивание - серво (без обратной связи), верхняя и нижняя заслонка воздухопритока - механика.
"Рестайлинг": подмешивание - серво (появилась обратная связь), верхняя заслонка - серво (без обратной связи), нижняя заслонка серво (с обратной связью).
На машинах "дорестайлинг", оборудованных кондиционером (2005-2007 гг.) отопитель дооснащался сервоприводом и заслонкой рециркуляции (без обратной связи). Привода верхней и нижней воздухораспределительных заслонок - только механика соответственно.
На машинах "рестайлинг" с кондиционером (2007-2008 гг.) корпус установки, заслонки рециркуляции и подмешивания с приводами те-же что и в обычных машинах. Соответственно добавляется только заслонка рециркуляции, такая-же как в "дорестайлинг".




13. Пульт управления климатикой. Для ранних ГАЗ-31105 (до середины 2005-го года) с полностью механическим управлением заслонками в электросхемах приведено управление кондиционером в виде простого переключателя на консоли. Были ли такие машины на самом деле или только планировались к выпуску - тяжело сказать. Обычно заводские машины дооснащались полноценной климатикой у сторонних производителей.
Штатные пульты управления климатикой для отопителей типа "31107-" для машин после 2005-го года бывают для салона "дорестайлинг" (салон от "3110", пульт никак не называются) и "рестайлинг" (пульт с названием "Шаттл") соответственно.
Платы управления в зависимости от года выпуска машины и состава компонентов могут отличаться (минимум надо смотреть маркировку на самой плате, чаще составляющие элементы).
Производитель корпусов пультов всегда "Завод Автокомпонент" г.Нижний Новгород. Производитель плат управления - ООО "Микротэк" г.Нижний Новгород.
Маркировка (всех что ниже), приблизительно:
- MK.4573.9136 - дорестайл отопитель без конд (плата);
- MK.4573.5844 - дорестайл конд (плата);
- ZZ.31107-812020 - дорестайл отопитель без конд, один разъем, 5 контактов - 2005 г. (пульт);
- ZZ.31107-8121020-10 - дорестайл отопитель без конд, два разъема - 2007 г. (пульт);
- ZZ.31107-8121020-01 - дорестайл конд, два разъема - 2007 г. (пульт);
- ZZ.8121091-01 - рестайлинг "Шаттл" отопитель без конд - 2007 г. (плата);
- ZZ.8121091-02 - рестайлинг "Шаттл" конд (не точно) - 2007 г. (плата);
- ZZ.8121100 - рестайлинг "Шаттл" отопитель без конд (плата);
- ZZ.8121100-10 - рестайлинг "Шаттл" конд (плата);



В83 – Антиобледенитель.
D21 – Блок управления климатической установкой.
D30 – Блок регулировки скорости вентилятора.
F41 – Блок предохранителей левый.
F42 – Блок предохранителей правый.
М2 – Электродвигатель вентилятора отопителя.
М34 – Моторедуктор заслонки рециркуляции.
М35 – Моторедуктор заслонки подмешивания.
М43 – Кран отопителя.




14. Кран перекрытия ОЖ на радиатор отопителя. Устройство устанавливалось без оглядки на пульт управления кондиционером. Управление устройством (любого типа) дискретное, "открыто-закрыто", поэтому пульт управления не привязан к крану.




15. Проводка и реле.
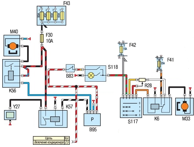
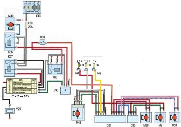
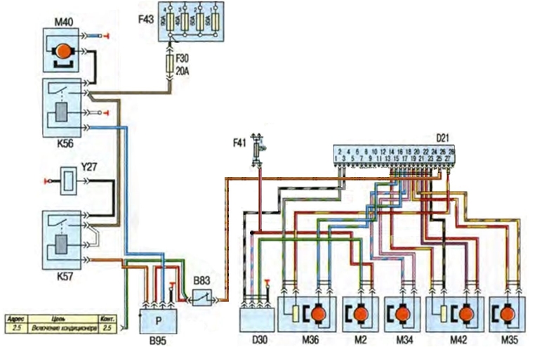
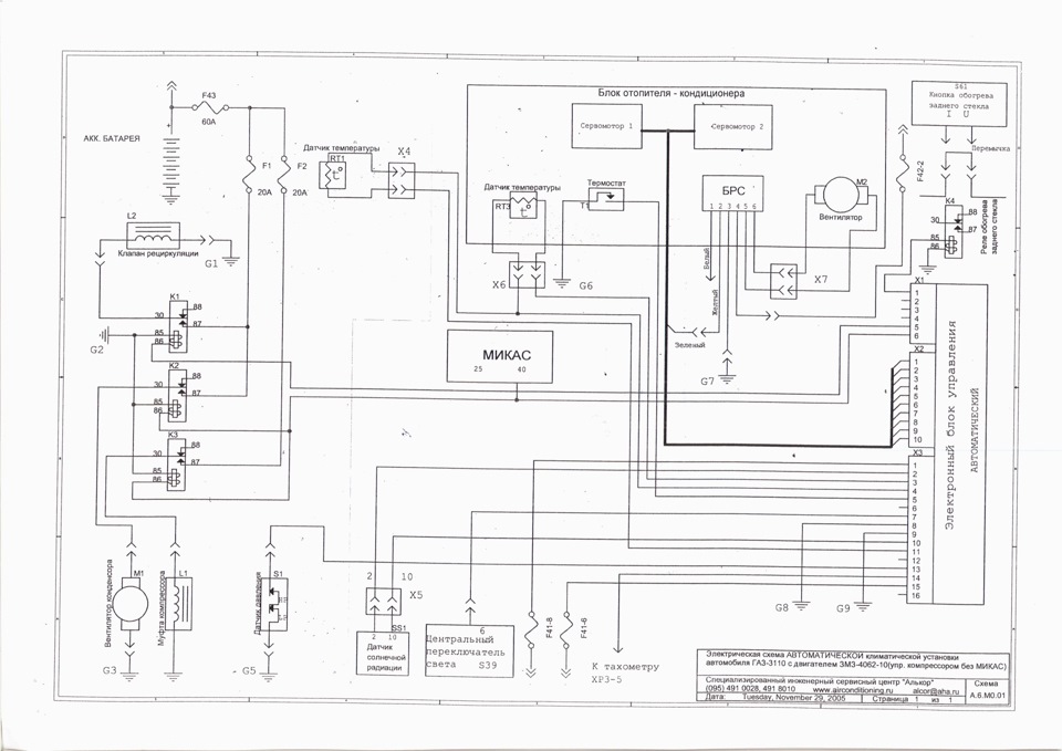
На заводских электросхемах ниже реализованы две схемы включения муфты компрессора и соответственно самого "кондиционера":
Схема 1: ЗМЗ. Одновременно на ЭБУ и на датчик давления (через антиобледенитель, который работает аварийным размыкателем) с пульта или переключателя подается управляющий сигнал. ЭБУ выполняет команду "повысить обороты" двигателя, а датчик давления замыкает включение муфты компрессора.
Схема 2: Chrysler. С пульта (через антиобледенитель) поступает сигнал на "реле кондиционера", из которого выходят два сигнала: на ЭБУ (пин разъема 2) с запросом включения кондиционера и на датчик давления. Однако сигнал с датчика давления также принимается ЭБУ (пин разъема 3). После получения сигналов с обеих входов ЭБУ включает управляющую обмотку реле включения муфты компрессора К57 (замыкает пин разъема 4 на +15 "зажигание", пина разъема 5). Реле включает муфту компрессора (пин разъема 1). Схема 2 не соответствует рисунку с рестайлинговым Chrysler. Однако на этой схеме (ссылка) подключения ЭБУ Chrysler рестайлинг всё изложено в точности как для Chrysler дорестайлинг.
В машинах без кондиционера (ЗМЗ) зеленый провод на 40-й пин ЭБУ (запрос включения) обычно есть. Командных проводов (часто и контактов в разъеме) на реле компрессора обычно нет. Насколько машины с заводским кондиционером соответствуют схемам ниже - один из вопросов.
16. Электросхемы.




В83 – Антиобледенитель.
В95 – Датчик давления.
D21 – Блок управления климатической установкой.
D30 – Блок регулировки скорости вентилятора.
F30 – Предохранитель 20А (кондиционер).
F41 – Блок предохранителей левый.
F42 – Блок предохранителей правый.
F43 – Блок предохранителей в моторном отсеке.
К6 – Реле режимов кондиционера.
К56 – Реле электровентилятора кондиционера.
К57 – Реле муфты компрессора.
К80 – Реле кондиционера.
М2 – Электродвигатель вентилятора отопителя.
М33 – Электровентилятор климатической установки.
М34 – Моторедуктор заслонки рециркуляции.
М35 – Моторедуктор верхней заслонки.
М36 – Моторедуктор заслонки подмешивания.
М40 – Электровентилятор конденсатора кондиционера.
М42 - Моторедуктор нижней заслонки.
М43 – Кран отопителя.
R28 – Резистор кондиционера.
S117 – Переключатель электровентилятора климатической установки.
S118 – Выключатель кондиционера.
Y27 – Муфта компрессора кондиционера.
"условные обозначения ко всем схемам".
17. ЭБУ. Все ЭБУ ЗМЗ поддерживают подключение кондиционеров через цепочку: пульт-ЭБУ-реле-компрессор. Схема реализована с целью поднятия оборотов холостого хода в связи с возникающей от работы компрессора кондиционера дополнительной нагрузкой на двигатель (датчик давления в схеме не участвует). В заводском исполнении (судя по заводским электросхемам) так сделано только для Chrysler (включая датчик давления).
Для частной реализации "правильной" схемы включения (без датчика давления) необходимо добавить проводку и контакты в разъем ЭБУ (для ЗМЗ). Обычно всего этого нет. Однако редко встречаются машины с "полной кондиционерной" проводкой в комплектации без кондиционера.
На незаводских схемах ЭБУ чаще не задействован. В нормальной ситуации любой ЭБУ с целью компенсации просадки оборотов от включившейся муфты компрессора будет управлять шаговым двигателем РХХ и/или временем впрыска топливных форсунок. Включение компрессора через ЭБУ просто подготавливает двигатель к нагрузке до того, как нагрузка началась и это сглаживает кривую графика оборотов и безусловно положительно сказывается на узлах и агрегатах двигателя. По такому же принципу поднимаются обороты холостого хода перед включением ЭВ системы охлаждения для машин ЗМЗ "Евро-2,3". На более ранних машинах включение ЭВ сопровождалось неизменным понижением оборотов коленвала и потерей мощности двигателя.
Повторюсь, в любой аппаратной реализации ЭБУ ГАЗ-31105 методика поднятия оборотов и отправки сигнала на реле муфты должна быть реализована. Однако на практике на "ранних" версиях "ИТЕЛМА" в частности, эта возможность не была "зашита" в блок. Очень часто на разных блоках нет выхода (физически нет провода на разъеме ЭБУ само собой) на управление силовым реле включения муфты компрессора кондиционера (хотя "вход" есть и работает).
ЭБУ МИКАС 7.1 обладает возможностью заставить работать реле включения компрессора постановкой отметки (т.е. заливки в ПЗУ ЭБУ признаков комплектации) "кондиционер" при подключении диагностическим ПО к нему. На пин 40 на время работы компрессора должен подаваться постоянный "-", который управляет подачей того-же "-" на реле с 25-го пина разъема ЭБУ. Пульт управления "Шаттл" с поддержкой кондиционера предназначен только для машин с ЭБУ "МИКАС", поскольку только "МИКАС" поднимает обороты холостого хода подачей на него "массы".
ЭБУ МИКАС 11 "перепрошивать" не надо. Запрос на включение приходит на 75-й пин. Выход на реле компрессора - 69-й. Управления по датчику давления по-прежнему нет.
ЭБУ СОАТЭ включает реле компрессора подачей постоянного "+" на пин 40. Выход - "-" с 25-го пина.
ЭБУ ИТЕЛМА работает с управлением включения компрессора кондиционера точно так-же как "СОАТЭ". Оба этих блока (замечу, для ГАЗ-31105 любой комплектации) не требуют вмешательства для обновления кода ПЗУ.
ЭБУ Motorola аппаратно функциями управления компрессором кондиционера оснащен изначально. Однако программная реализация для Волг в виде прошивки V790BF_2.S19 появилась не сразу, а в июле 2006. Вплоть до июля 2007, когда этой прошивкой стали снабжать абсолютно все ЭБУ "Motorola" на машинах ГАЗ, более ранние машины вместе с заменой салонного блока приходилось подвергать замене самого ЭБУ. Прошивка "некондиционерных" ранних ЭБУ имеет обозначение 79ae_1.S19.
IV. Нетипичное климатическое оборудование ГАЗ "Волга".
Производители и установщики из всего делали "коммерческую тайну" с очевидной целью на этом заработать. Так что информация представлена не в полном объеме.
Отталкиваться в описании будем от пультов управления как от наиболее заметной и классифицирующей детали. Хронологии постараюсь придерживаться хотя бы в порядке появления комплектов или фирм на рынке.
1. "РИДА".
Широко известная и отлично зарекомендовавшая себя фирма "РИДА" (г. Нижний Новгород) стала первой, кто начал устанавливать комплекты климатики на автомобили "Волга". Статья в "За Рулем" 12/1998 "Погоду делают в Нижнем" исчерпывающе описывает особенности установки.



2. "Техносервис".
ГАЗ-3111 планировалась как серийная. ЗАО "Техносервис" (г. Нижний Новгород) были предприняты шаги по оснащению ее автоматической системой климатики (взамен штатной "ручной" системы).
Цитата 1: "Лицевая панель автоматического климат контроля для автомобиля "Волга" была спроектирована в 2000 году. Заказчиком было поставлено одно условие - простота конструкции. Выпускается серийно. Производство: ООО «ТермоСтайл», г. Нижний Новгород".
Цитата 2: Управление тремя заслонками кнопочное, причём одна заслонка имеет промежуточное настраиваемое положение. Управление отопителем рассчитано на три положения, так же как и управление кондиционером (имеется экономичный режим). Управление вентилятором - плавное (в ручном режиме - 10 положений, в автоматическом - 50). Автоматический режим на основе входных параметров управляет вентилятором, кондиционером, отопителем и заслонками, т.е. всем спектром оборудования. На дисплее отображается салонная, забортная температура и температура выбранная водителем. Имеется на выбор зелёная или красная подсветка органов управления в сочетании с такими же цветами индикаторов. В базовом варианте прибор оптимизирован и настроен под работу в сборе с кондиционером фирмы "Autoclima" (Италия).
Скорее всего большая часть установок такого типа досталась собранным "Техносервисом" ГАЗ-3110 и ГАЗ-3102 нежели ГАЗ-3111.
Принципиальная схема подключения пульта - скачать










3. НАМИ и "Espero".
В журнале "За Рулем" 07/2003 была опубликована статья "Ветер с Востока".

Цитата (орфография неизвестного источника частично сохранена, исправлены грамматические ошибки): "Мы полностью поменяли всю раздачу воздуха, от стандартной печки не осталось ничего. В качестве блока управления мы выбрали вакуумный блок управления от ДЭО, который гарантирует четкость срабатывания всех заслонок, и надежность всей системы (за 5 лет не было ни одной поломки). Для поддержания температуры мы разработали электромагнитный клапан (аналог клапанов устанавливаемых на БМВ и Мерседесе), в комплект к которому входят 2 датчика температуры и блок электроники. Эта система обеспечивает малое время срабатывания, что позволяет поддерживать температуру в пределах 1 градуса.
Холодопроизводительность - 5 кВт.
Теплопроизводительность - 8 кВт (на 3110 штатно 6,2 кВт)
Расход воздуха - 450 м3/час (на 3110 штатно 350 м3/час)
Количество режимов вентилятора - 4
Потребляемая механическая мощность - 5 кВт
Потребляемая электрическая мощность - 220 Вт
Скорее всего НАМИ (а также "РИДА") предлагали лучшее, продуманное с инженерной точки зрения, решение на ту пору. Также возможно было заказать доработку только отопителя в ключе выше (без компонентов охлаждения, но с рециркуляцией). Такое переоборудование систем обогрева и вентиляции вместо 1400 USD (для систем с охлаждением) обходилось в 450 USD.
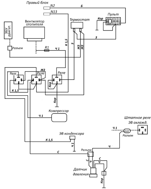
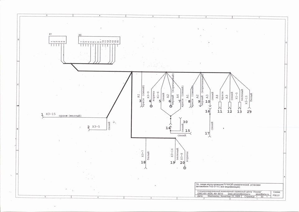
4. "Алькор".
Центром "Алькор" (г. Москва) выпускалось несколько конструкций, рассчитанных на установку в Волги. Несколько разных пультов (ручное или автоматическое управление). Корпус салонной установки - оригинальный.
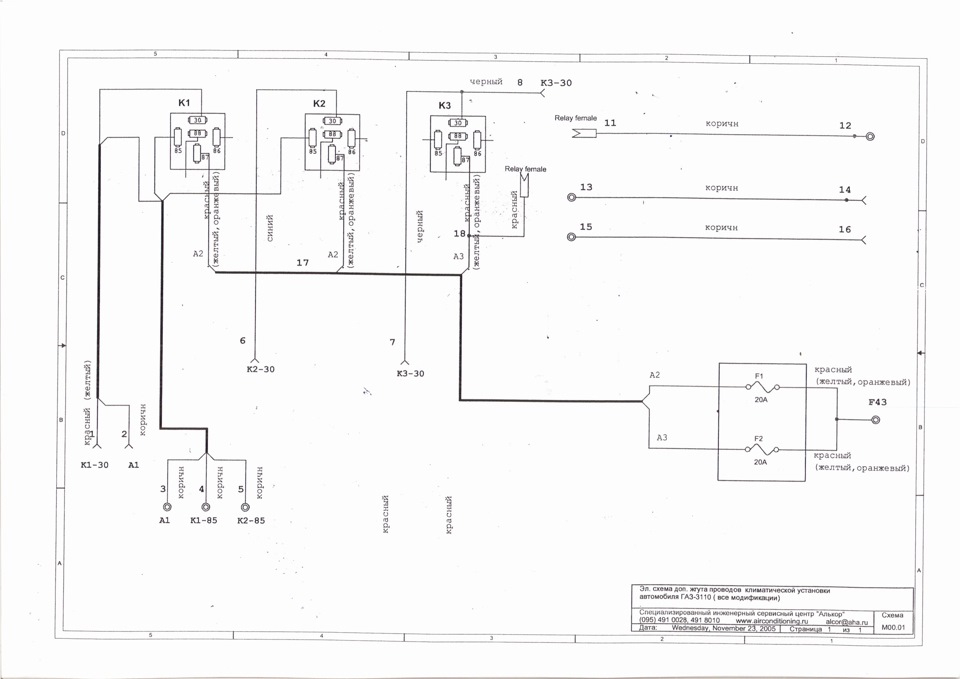
Схема проводки и реле универсальная (ко всем схемам ниже) (MrVeter) - скачать

4а. Механическое управление.
Распиновка разъема пульта механика (MrVeter) - скачать
Схема проводки (мех) (MrVeter) - скачать



4б. Электронное управление.
Описание Алькор 1233 (MrVeter) - скачать
Инструкция по установке Алькор 1233 (MrVeter) - скачать
Распиновка разъема пульта автомат (MrVeter) - скачать
Схема (автомат) для ЗМЗ-402 (MrVeter) - скачать
Схема (автомат) для ЗМЗ-4062 управление компр. без ECU (MrVeter) - скачать
Схема (автомат) для ЗМЗ-4062 управление компр. через ECU (MrVeter) - скачать
Схема проводки (автомат) (MrVeter) - скачать



5. "Элинж".
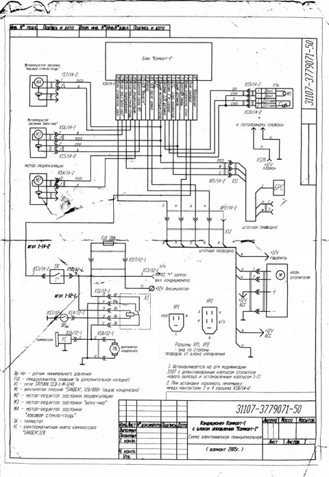
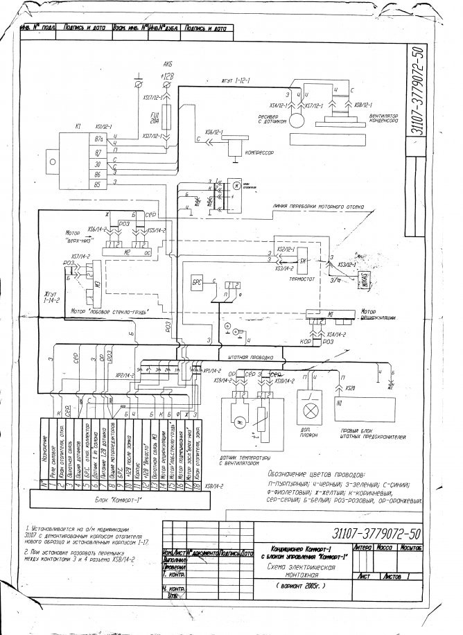
ЗАО "Элинж" (г. Нижний Новгород) выпускалось несколько массовых комплектов климатического оборудования с ручной или автоматической регулировкой направления потоков охлажденного или нагретого воздуха и температуры. Корпус салонной установки в начале оригинальный и подходит к машинам до 2005-2006-го годов выпуска (ранние комплекты и "Комфорт-1,2"). Позже управление установкой адаптировали под стандартные сервопривода для корпуса с маркировкой "31107" (Комплект "Комфорт-3М").
Инсталляцией, производством компонентов и гарантией занималось подразделение "ЗАО "Эль-Сервис".
Испаритель в корпуса "Элинж" собственного производства устанавливался с маркировкой "201" о чем намекала выдавленная надпись на корпусе их салонного блока. На ранних корпусах надпись (вместе с логотипом) - вверху. На корпусах 2005-2006 - надпись "201" (без логотипа) внизу. Размер испарителя "201" - 230х190х80, чем он отличается от испарителей типа "31107" (размер которых 220х190х100) и гарантированно не становится в корпус салонного блока "31107".
Маркировка сервоприводов заслонок корпусов "Элинж" - "ЭЛАРА" КЖНЮ.421311.002 2110-8127200-10. Т.е. они "ВАЗ". Причем редукторы с "обратной связью" (два разъема по два контакта) не отличаются маркировкой от редукторов "без обратной связи" (один разъем на два контакта). Редукторы "ГАЗ" по посадочным параметрам аналогичны соответствующим редукторам "ВАЗ" ("ВАЗ" много разных типов к слову), однако редукторы различаются по сопротивлению двигателей.
Корпус салонного блока неразборной. Предварительно элементы корпуса соединены заклепками и окончательно скреплены и загерметизированы при помощи полиуретанового герметика. Кронштейны сервоприводов - часть на заклепках, часть на саморезах. На саморезах же лючок для извлечения радиатора отопителя в сторону салона. Хорошо продумана рециркуляция, для заслонки которой сделан специальный кожух. Такой-же кожух поставлялся для отопителей 31107 в варианте "Комфорт-3М".
Последние модификации пульта управления "Комфорт-1" (наиболее массово ставились на Волги) выпускались с зашитой возможностью управления электрическим краном. Как известно, пневмокран требует только сигнала управления "-" для открытия крана (на радиатор отопителя). Кран нормально закрыт и удерживается разряжением из коллектора. Электрические краны управляются по двум проводам. Одна ветка - закрытие, вторая - открытие крана. Сигнал - та-же "масса". Поэтому "Комфорт-1" для управления электрическим краном обладает дополнительным выходом "кран ототпителя закр.". Могут встречаться пульты, управляющие электрокраном, БРС 31107 (отдельный провод), но не управляющие заслонкой подмешивания (мой случай, пульт 2006-й год).
Установка под названием "Комфорт-3М" появилась в 2006 вслед за обновлением штатной климатики. В принципе относительно "Комфорт-1" изменился только пульт и проводка. По прежнему устанавливаются литые алюминиевые кронштейны компрессора и насоса ГУР производства "Элинж" (ЗМЗ) (на мой взгляд - лучшие кронштейны по прочности и исполнению среди всех возможных для "Волг"). Для "Chrysler" - свои стальные сваренные кронштейны. Салонный блок оставался заводской "31107". Для дооснащения салонного блока комплект, помимо испарителя с антиобледенителем, включал серводвигатель и ось заслонки рециркуляции. Сама заслонка вырезалась из корпуса отопителя и обрезок крепился к оси из комплекта. Из штатного пульта управления изымалась плата и вместо нее устанавливались предназначенные для работы климатики либо плата МК.4573.5844 "Микротек" (т.е. штатная плата 31105 для дорестайлингового пульта) либо плата собственного производства "Элинж".
Кроме прочего "Элинж" - официальный дилер "SANDEN". Наборы климатики, предназначенные для установки на машины с двигателем Chrysler комплектовались специальными кронштейнами для установки компрессоров "SANDEN" на место штатных для этого двигателя "NIPPONDENSO".
Инструкция к Комфорт-1, -2 и "ручному" (MrVeter, Kosta-G) - скачать
Схема электрическая принципиальная Комфорт-1 для корпуса "31107" (MrVeter) - скачать
Схема электрическая монтажная Комфорт-1 для корпуса "31107" (MrVeter) - скачать
Инструкция по установке испарителя, компрессора, конденсаторного блока, фреоновых магистралей, электрических жгутов и плат. Монтажная схема для МК.4573.5844 (ВОВАН2013) - скачать




5а. Ручное управление.

5б. "Комфорт-2".

5в. "Комфорт-1".

5г. "Комфорт-3".

5д. Элинж неизвестной маркировки 1 .

5е. Элинж неизвестной маркировки 2 (скорее всего ранний, судя по кронштейнам компрессора).


6. "Микротэк" (Микро-НН).
Фирмой "Микротэк" (г. Нижний Новгород, раннее название "Микро-НН") выпускались только пульты управления климатическими установками, адаптированные (то есть допускающие калибровку) под довольно стандартизированные сервоприводы. Таким образом пульты "Микротэк" управляют салонными блоками других производителей. Также эта фирма поставляла с 2005-го года платы управления отоплением и климатикой легковых и грузовых автомобилей на конвейер ГАЗ.
"Кристалл" помимо функций собственно климат-контроля обладает некоторыми функциями "бортового компьютера". "Бриз" - похоже тот-же "Комфорт-2" ("Элинж"). Правые верхний и нижний пульты с фото ниже также поставлялись на "Элинж".
Инструкция к "Кристалл" и "Бриз" (MrVeter) - скачать

6а. Ранний "Микротэк" 1.

6б. Ранний "Микротэк" 2.

6в. Ранний "Микротэк" 3.

6г. Ранний "Микротэк" 4.

6д. "Кристалл".

7. "ТДБ-1".
Компания "ТДБ-1" г.Москва, помимо установки и ремонта автомобильных кондиционеров, изготавливала также кронштейны для установки компрессоров и поставляла комплекты оборудования (на штатных волговских заводских компонентах в том числе) для установки системы "под ключ".
Кронштейны "ТДБ-1" для ЗМЗ-406 довольно просты, но эффективны. Предназначены для установки компрессоров справа от блока (двигатели ЗМЗ).
Минусы от установки компрессора справа обуславливает плотная компоновка. Расстояние до правого лонжерона - минимальное (к тому-же требуется подпиливание корпуса компрессора). Фитинги магистралей (от и до компрессора) с трудом расходятся с масляным фильтром. На машины "Евро-2" и "Евро-3" из-за измененного впускного коллектора (ради которого даже опустили генератор ниже) и наличия резонатора впуска воздуха такая схема установки компрессора неприменима. Также отмечу меньшую площадь обвода ремнем шкива компрессора.
Плюсы расположения - ремень можно установить один, компрессор находится по обратную сторону блока от выпускного коллектора, магистрали можно установить короче, не надо переносить насос ГУР, не надо менять шкив КВ.

8. "КАМ".
Фирма "КАМ" г. Харьков изготовляет кронштейны для установки компрессоров (ЗМЗ) и продает комплекты оборудования для установки на конкретную модель автомобиля (наши - ГАЗ-3110 и ГАЗ-31105).
Кронштейны для ЗМЗ-406 предназначены для установки компрессора также на правую сторону двигателя. Вставка в шкив КВ и сам шкив компрессора - только под клиновидный ремень.
Пультов управления производитель не предлагает. Соответственно нет обратной связи и рециркуляции. Имеется только переключатель на включение цепи компрессора. В инструкции значится включать вентилятор отопителя и регулировать степень охлаждения салона именно его оборотами.
Инструкция по монтажу кондиционера на ГАЗ-31105 (Komandr) - скачать
Руководство по эксплуатации кондиционера ГАЗ-31105 (Komandr) - скачать
Схема и перечень деталей крепления компрессора (Komandr) - скачать
Перечень деталей комплекта (Komandr) - скачать


9. Неидентифицированные пульты.
У меня есть фото примеров явно единичных, из комплектов купленных неизвестно где и кем и поставленных в гараже. Однако те трое, что ниже, встречаются не на одной машине, поэтому буду благодарен за объяснение - кто же их и когда изготовил. Дизайн всех панелей выполнен в одном ключе.
9a. Образец один.

9б. Образец два.

9в. Образец три.
